Die Suche ergab 7 Treffer
- Do, 08.03.07, 14:45
- Forum: Elektronik & Schaltung
- Thema: Wie anschliessen
- Antworten: 3
- Zugriffe: 4698
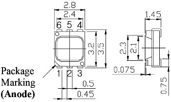
Vilen Dank, weiss schon wie anschlissen aber nicht weils so kleine ist, gibts da keine sockel oder so dazu? die sind von Seoul, habe diese gewählt, da sie einen grossen Abstarahlwinkel haben. oder weiss jemand andere gut preiswerte mit grossem abstrahlwinkel. Daraus gibt es eine LED Matrix hinter ei...
- Do, 08.03.07, 13:43
- Forum: Elektronik & Schaltung
- Thema: Wie anschliessen
- Antworten: 3
- Zugriffe: 4698
Wie anschliessen
Hallo zusammen
Ich habe LED's gekauft dachte aber nicht, dass die so klein sind, siehe Bild, wie soll ich das anschliessen?
Weiss jemand ein par gute RGB LED die ansteuerbar sind wie diese.
Grüessli
Ich habe LED's gekauft dachte aber nicht, dass die so klein sind, siehe Bild, wie soll ich das anschliessen?
Weiss jemand ein par gute RGB LED die ansteuerbar sind wie diese.
Grüessli
- So, 25.02.07, 16:59
- Forum: Elektronik & Schaltung
- Thema: RGB-Matrix
- Antworten: 2
- Zugriffe: 4091
RGB-Matrix
Weis jemand eine gute Seite um RGB-Matrixen zu erstellen
wenn ich eine Matrix von d=38cm haben will kommt mein Rechnen an den Anschlag.
Grüessli
wenn ich eine Matrix von d=38cm haben will kommt mein Rechnen an den Anschlag.
Grüessli
- So, 25.02.07, 14:36
- Forum: Elektronik & Schaltung
- Thema: spetzielle RGB LED Leuchte
- Antworten: 1
- Zugriffe: 4140
spetzielle RGB LED Leuchte
Hallo zusammen Ich will in der Unten stehenden Steuerung einen Zusatz einabauen, und zwar, Einen RGB Farbwechsler mit Stop befehl um die momentane Farbe bleibt Die Momentane sSteuerung ist ein RGB Farbwechsler mit Musikansteuerung. Ich werde dann zusätzlich das ganze über eine Fernbedienung steuern ...
- Sa, 10.02.07, 16:11
- Forum: Elektronik & Schaltung
- Thema: LED Farbwechsler bis zu 100Euro zu verdienen
- Antworten: 30
- Zugriffe: 35928
- Sa, 10.02.07, 15:26
- Forum: Elektronik & Schaltung
- Thema: LED Farbwechsler bis zu 100Euro zu verdienen
- Antworten: 30
- Zugriffe: 35928
niemand lust 100 Euro zu verdienen
Ist gar nicht so einfach sowas oder? Irgendwie hat sich noch niemand gemelded, ich denke jemand, der sich damit auskennt macht das in 3 bis 4 h mit anleitung, dann ist das doch sehr gut verdientes geld. kleine hilfe http://www.bader-frankfurt.de/ledschaltungen.htm das ding dürfte auch mit uKontrolle...
- Fr, 09.02.07, 19:39
- Forum: Elektronik & Schaltung
- Thema: LED Farbwechsler bis zu 100Euro zu verdienen
- Antworten: 30
- Zugriffe: 35928
LED Farbwechsler bis zu 100Euro zu verdienen
Hallo Zusammen Ich suche: LED Farbwechsler mit / ohne Musiksteuerung Ich biete: bis zu 100 Euro Hallo, Ich suche einen guten Schaltplan für eine LED Steuerung mit Dokumentation, Aufbauanleitung, Erläuterung der einzelnen Bauteile. Beschrieb und Anleitung der Schaltung. Die Steuerung muss einen Farbw...
