Für 10nF wären das aber ziemlich große platten, deshalb lieber rollen.
Bei einer Eingangsspannung von 30kV werden dir deine 3cm gaps NIE zünden. Ich würde da eher 1cm nehmen.
Nen 3 Stufen Marx? Das lohnt sich doch garnicht.
Die Suche ergab 12 Treffer
- Mo, 16.10.06, 14:34
- Forum: Elektronik & Schaltung
- Thema: Hochspannung
- Antworten: 108
- Zugriffe: 128403
- Sa, 14.10.06, 16:43
- Forum: Elektronik & Schaltung
- Thema: Hochspannung
- Antworten: 108
- Zugriffe: 128403
- Sa, 14.10.06, 16:25
- Forum: Elektronik & Schaltung
- Thema: Hochspannung
- Antworten: 108
- Zugriffe: 128403
Schau dir mal Ts TCBs und meine hompage an und vergleich das mal mit dem was du so an kenntnissen hast. -.- Neo war so nett und hat unser Forum vor ner welle noobs schützen wollen. Um zurück zum thema zu kommen: Mit nem spannungsvervielfacher 20kV aus 230V machen geht net so einfach. Da enpfehlen si...
- Sa, 14.10.06, 16:20
- Forum: Elektronik & Schaltung
- Thema: Hochspannung
- Antworten: 108
- Zugriffe: 128403
Zu deiner aussage das da aus dem vervielfacher nur nen blitz rauskommt (die du auch wegeditiert hast): Wil sone Steckdose bekanntlicherweise mit 50Hz arbeitet wird da kein blitz, sondern nen LICHTBOGEN rauskommen. Ich kann gleich gerne mal versuchen aus meinem vervielfacher nen bogen zu ziehen, obwo...
- Sa, 14.10.06, 15:51
- Forum: Elektronik & Schaltung
- Thema: Hochspannung
- Antworten: 108
- Zugriffe: 128403
- Sa, 14.10.06, 15:39
- Forum: Elektronik & Schaltung
- Thema: Hochspannung
- Antworten: 108
- Zugriffe: 128403
Was genau heißt antiparallel? Hab mal einen Kondesator mit 220V aufgeladen, das hat ganz schön geknallt, aber nur einmal Razz woher bekommt man denn so einen Trenntrafo, und wie verinngert sich die Stärke durch jede Diode/Konsdi? Und schutzscheibe und FI kann man wohl nicht als elektronikkenntnisse...
- Sa, 14.10.06, 15:18
- Forum: Elektronik & Schaltung
- Thema: Hochspannung
- Antworten: 108
- Zugriffe: 128403
Ist ja schlimm was hier abgeht, ich glaub ich räum ma etwas auf 8) Weiß nicht ob die Schaltsymbole so ganz richtig sind, aber in etwa so? http://standard-networkz.com/hochspannung.png Also, 1. Haben wir hier in deutschland 230V an der steckdose 2. ist das ne 4 facherkaskade (also eingangsspannung*4)...
- Sa, 15.07.06, 00:17
- Forum: Elektronik & Schaltung
- Thema: Stromquelle für Hochleistungs-LEDs
- Antworten: 6
- Zugriffe: 10123
- Fr, 14.07.06, 20:15
- Forum: Elektronik & Schaltung
- Thema: Stromquelle für Hochleistungs-LEDs
- Antworten: 6
- Zugriffe: 10123
- Fr, 14.07.06, 15:43
- Forum: Elektronik & Schaltung
- Thema: Stromquelle für Hochleistungs-LEDs
- Antworten: 6
- Zugriffe: 10123
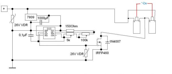
Stromquelle für Hochleistungs-LEDs
Ich hab hier schon öfter gesehen, dass jemand seine schönen 1W(und mehr) LEDs einfach mit einem Vorwiderstand hinter ein Netzteil klemmt. Wenn sich die LEDs dann aber erhitzen, geht die breakdown Spannung runter und es fließt mehr Strom -> die Lebensdauer sinkt. Das kann man mit einer ganz einfachen...
- Fr, 14.07.06, 00:15
- Forum: Elektronik & Schaltung
- Thema: spannungswandler
- Antworten: 9
- Zugriffe: 12146
Das einfachste ist wohl, einen Trafo zu verwenden, AAAAABER: wenn du 12V~ am Ausgang hast, und die gleichrichtest, hast du zwar 12V durchschnittlich, aber da das ganze Wechselspannung ist, auch Spannungsspitzen, die dir bis 17V hoch gehen, und das mögen die LEDs auf dauer bestimmt nicht. Ausserdem h...
- Do, 13.07.06, 01:10
- Forum: Elektronik & Schaltung
- Thema: leduhr
- Antworten: 25
- Zugriffe: 31109
Mit nem Mikroprozessor einen Takt erzeugen? Schäm dich! :wink: Also wenn schon, denn schon... wenn du schon etwas Programmierarbeit auf dich nehmen willst, kannst du auch direkt einen ATmega16 oder 32 nehmen und die LEDs als Matrix ansteuern. Es würde sich empfehlen, kleine Transistoren als Treiber ...
