Hallo,
habe letzens mein 10 Kanal LED Lauflicht wieder rausgekrammt und musste leider feststellen das es nur auf 7 Kanälen läuft.
Weiß wer was genau da kaputt ist ? Die Leds können es nicht sein da man im Gifbild sieht das sie ganz schwach leuchten (die ersten 3 Kanäle)
Fehlersuche
Moderator: T.Hoffmann
Scheint so als wenn doch die LED's einen Schaden haben. Können ja auch noch nen bischen glimmen und sind defekt.
probier ma die leds einzeln aus also wenn du die möglichektien hats ansonsten poste dies chaltung den so würde ich auch sagen es sind die leds
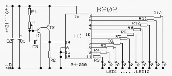
Also die LEDs funktionieren alle. Habs gerade getestet. Den Schaltplan habe ich auch mal rausgesucht war nen Bausatz
ka is ja relativ simmpel also ich würde sagen die leds sind aber wenn du die getest hast. hast du ne möglichkeit den ic zu tauschen? ansonsten einfach niochmal alle kontakte usw und leitungen zu den defekten leds durchmessen vll findest du da was
- Sailor
- Moderator
- Beiträge: 9427
- Registriert: Di, 28.11.06, 22:16
- Wohnort: Saarland, Deutschland und die Welt
Ohne das Innenleben des IC´s zu kennen, tippe ich auf einen Fehler in der Masse. Die Verbindung der Anschlüsse 8, 13 und 15 deutet darauf hin, dass die Masse auch zur Gruppensteuerung aufgetrennt werden kann.
Wenn möglich, teste diese Annahme durch auftrennen der 3 Anschlüsse, wobei natürlich beim Auftrennen eines Anschlusses dann nichts mehr geht, weil die IC-Masse fehlt. Ich hoffe dass dies nicht gerade auch die Masse der ersten Gruppe ist.
Wenn also einer dieser Kontakte die Masse für die erste Gruppe bereitstellt, und dort eine schlechte äußere (oder innere) Verbindung besteht, würde es Dein Phänomen erklären.
Ein Fehler auf der LED-Seite ist eher unwahrscheinlich. Warum sollte gerade nur die Led´s der ersten Gruppe defekt sein?
Obwohl - nach Murphy ist alles möglich!
Wenn möglich, teste diese Annahme durch auftrennen der 3 Anschlüsse, wobei natürlich beim Auftrennen eines Anschlusses dann nichts mehr geht, weil die IC-Masse fehlt. Ich hoffe dass dies nicht gerade auch die Masse der ersten Gruppe ist.
Wenn also einer dieser Kontakte die Masse für die erste Gruppe bereitstellt, und dort eine schlechte äußere (oder innere) Verbindung besteht, würde es Dein Phänomen erklären.
Ein Fehler auf der LED-Seite ist eher unwahrscheinlich. Warum sollte gerade nur die Led´s der ersten Gruppe defekt sein?
Obwohl - nach Murphy ist alles möglich!
So wie die Belegung der Pins aussieht vermute ich mal ein 4017 IC. Weiter vermute ich mal das das Lauflicht orginal keine Blauen LEDs hatte, weiter vermute ich mal das diese mehr Strom brauchen als die LEDs die vorher dran waren und zu guter letzt vermute ich mal das der CMOS IC (max. 10mA pro Pin ) über den Jordan ist
Wie gesagt alles vermutungen ... cu zubbu
Wie gesagt alles vermutungen ... cu zubbu
Ich denke mal was du sagst stimmt leider alles..zuBBu hat geschrieben:So wie die Belegung der Pins aussieht vermute ich mal ein 4017 IC. Weiter vermute ich mal das das Lauflicht orginal keine Blauen LEDs hatte, weiter vermute ich mal das diese mehr Strom brauchen als die LEDs die vorher dran waren und zu guter letzt vermute ich mal das der CMOS IC (max. 10mA pro Pin ) über den Jordan ist![]()
Wie gesagt alles vermutungen ... cu zubbu
-skunk- hat geschrieben:bei so etwas würde ich grundsätzlich nen treiber vor die leds schalten, als IC oder Transistor&Widerstand...is besser
erklär mir mal bitte was du damit meinst.. Kenne das nur vom PC her
einfach hinter den Ausgängen des IC´s einen Widerstand dranhängen, der wiederum auf einen Transistor an die Basis geht.
Die LED hängt dann zwischen collector und + Leitung und Minus liegt an dem Emitter des Transistors, dieser Funktioniert dann als Schalter.
Die LED hängt dann zwischen collector und + Leitung und Minus liegt an dem Emitter des Transistors, dieser Funktioniert dann als Schalter.



