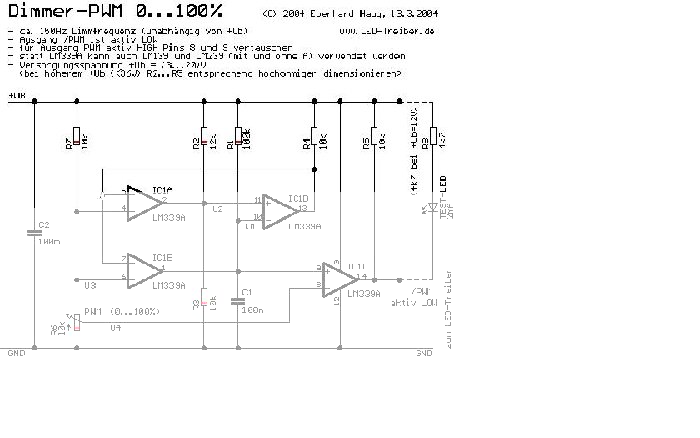
Hallo zusammen hab mal ne Frage zur beigelegten PWM-Dimmereschaltung. Wollte mal wissen ob diese so funktioniert????
Desweiteren würde ich gerne dann so ca. 100 Leds Parallel und dann jeweils 3 in Reihenschaltung anschließen ,da wo zum Led -Treiber steht.
Als Spannungsversorgung nehme ich ein 12 V / 1A.
Vielleicht weiß ja jemand ob das funktioniert??ß
PWM-Dimmerschaltung
Moderator: T.Hoffmann
- Sailor
- Moderator
- Beiträge: 9427
- Registriert: Di, 28.11.06, 22:16
- Wohnort: Saarland, Deutschland und die Welt
Das Netzteil reicht nicht aus, wenn Du normale 20 mA LED´s nimmst.
Dann muss es für die 100 Reihen 2 Ampere liefern, so dass ein 2,5 Ampere Netzteil erforderlich ist.
Die Schaltungen von Haug funktionieren. Du benötigst noch eine Folgeschaltung, am besten mit einem FET.
Damit herzlich Willkommen im Forum.
Dann muss es für die 100 Reihen 2 Ampere liefern, so dass ein 2,5 Ampere Netzteil erforderlich ist.
Die Schaltungen von Haug funktionieren. Du benötigst noch eine Folgeschaltung, am besten mit einem FET.
Damit herzlich Willkommen im Forum.
...100 Leds...
Dafür reichen 12V 1A (wenn es 20mA LEDs sind)
Wobei 100 Leds natürlich nicht in 3'er Reihen gehen (entweder 99 oder 102). Wie Sailor schon sagte, brauchst Du noch einen Mosfet als Leistungsschalter und natürlich Vorwiderstände (pro 3 LEDs einen).
Dafür reichen 12V 1A (wenn es 20mA LEDs sind)
Wobei 100 Leds natürlich nicht in 3'er Reihen gehen (entweder 99 oder 102). Wie Sailor schon sagte, brauchst Du noch einen Mosfet als Leistungsschalter und natürlich Vorwiderstände (pro 3 LEDs einen).
Oder man baut eine Schaltung mit BTS 629 auf. Der Chip geht bis 2A und ist bis 15V glaub ich ausgelegt. Da braucht man nur wenige Bauteile rundrum.
marc87 hat mich per PN um eine Anleitung gebeten, wie man das mit dem Mosfet als Leistungsschalter macht...
So: Anmerkung: Je nach Mosfet liegt die maximale Eingangsspannung bei dieser simplen Ansteuerung bei maximal 12V bis 16V. Da hier 3'er Reihen an 12V betrieben werden sollen, geht so ziemlich jeder N-Channel Mosfet. Die angegebenen BUZ71 bzw. IRLZ34 sind bei Reichelt für etwa 40ct erhältlich.
So: Anmerkung: Je nach Mosfet liegt die maximale Eingangsspannung bei dieser simplen Ansteuerung bei maximal 12V bis 16V. Da hier 3'er Reihen an 12V betrieben werden sollen, geht so ziemlich jeder N-Channel Mosfet. Die angegebenen BUZ71 bzw. IRLZ34 sind bei Reichelt für etwa 40ct erhältlich.


