Solarleuchte im Eigenbau - Bauteileauslegung
Moderator: T.Hoffmann
Hallo, ein Neuling hier im Forum mit Fragen an die Speziallisten, ich möchte eine tragbare Solarlampe bauen: mit Flicker-Diodensteuerung (Kerzenlicht) und Dimmer.
Nach dem Plan :von Borax 31.05.10, 14:01 mit Laderegelung, download/file.php?id=17160&mode=view
weiter möchte ich eine PWM zum dimmen einbauen:
viewtopic.php?f=35&t=4512&start=25#p129448 von Borax 11.10.10, 14:14
vielleicht kann man auch diese Endstufe mit Mosfet benutzen:
viewtopic.php?f=35&t=7090#p98916 von Borax 11.06.09, 16:11
Was ich unbedingt mit einbauen möchte wäre eine Flicker-Diodensteuerung (Kerzenlicht) die die Endstufe bzw. das PWM - Signalsteuert. siehe:
http://www.evilmadscientist.com/article ... cker/print
Mein Gedanke war, vor der Mosfet-Ansteuerung, das PWM-Signal mit dem Flicker-Diodensignal zu takten. Geht das? Und wie wäre die
Schaltung dazu? ( Also das Flackerlicht zu dimmen ; eine Komplettschaltung wäre toll ).
Für Ideen, im voraus besten Dank Ceeland
Nach dem Plan :von Borax 31.05.10, 14:01 mit Laderegelung, download/file.php?id=17160&mode=view
weiter möchte ich eine PWM zum dimmen einbauen:
viewtopic.php?f=35&t=4512&start=25#p129448 von Borax 11.10.10, 14:14
vielleicht kann man auch diese Endstufe mit Mosfet benutzen:
viewtopic.php?f=35&t=7090#p98916 von Borax 11.06.09, 16:11
Was ich unbedingt mit einbauen möchte wäre eine Flicker-Diodensteuerung (Kerzenlicht) die die Endstufe bzw. das PWM - Signalsteuert. siehe:
http://www.evilmadscientist.com/article ... cker/print
Mein Gedanke war, vor der Mosfet-Ansteuerung, das PWM-Signal mit dem Flicker-Diodensignal zu takten. Geht das? Und wie wäre die
Schaltung dazu? ( Also das Flackerlicht zu dimmen ; eine Komplettschaltung wäre toll ).
Für Ideen, im voraus besten Dank Ceeland
Hey ho,
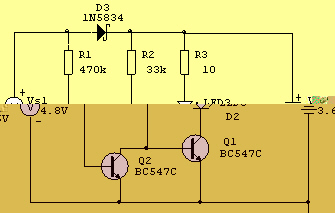
nachdem ihr mir das letzte mal schon prima geholfen habt, habe ich wiedermal eine Frage - wie zu erahnen geht es um eine Solarleuchte. Nachdem ich mir die Foreneinträge durchgelesen habe, habe ich anhand zweier Schaltpläne folgenden Schaltplan zusammengebastelt

Bei der LED handelt es sich um folgendes Produkt http://www.leds.de/High-Power-LEDs/Cree ... Lumen.html Und bei der Stromversorgung sollen 3 Eneloops zum Einsatz kommen.
Und nun meine Frage - stimmt das so, oder was müsste geändert werden, so dass die LED am Ende leuchtet.
Besten Dank schonmal im Vorraus!
nachdem ihr mir das letzte mal schon prima geholfen habt, habe ich wiedermal eine Frage - wie zu erahnen geht es um eine Solarleuchte. Nachdem ich mir die Foreneinträge durchgelesen habe, habe ich anhand zweier Schaltpläne folgenden Schaltplan zusammengebastelt

Bei der LED handelt es sich um folgendes Produkt http://www.leds.de/High-Power-LEDs/Cree ... Lumen.html Und bei der Stromversorgung sollen 3 Eneloops zum Einsatz kommen.
Und nun meine Frage - stimmt das so, oder was müsste geändert werden, so dass die LED am Ende leuchtet.
Besten Dank schonmal im Vorraus!
-
LEDTester1
- User

- Beiträge: 45
- Registriert: Mo, 28.03.11, 15:53
- Wohnort: Hannover
Wieviel Ampere liefert deine Solarzelle?
Bei meinem Panel (http://www.ebay.de/itm/5W-SOLARPANEL-SO ... 5aea588852) habe ich bei Regenwetter ca. 20ma!
D.h. bei 10 Stunden Tageslicht sind das (auch nur theoretisch) 200ma, damit leuchtet deine LED 15 Minuten!
Bei meinem Panel (http://www.ebay.de/itm/5W-SOLARPANEL-SO ... 5aea588852) habe ich bei Regenwetter ca. 20ma!
D.h. bei 10 Stunden Tageslicht sind das (auch nur theoretisch) 200ma, damit leuchtet deine LED 15 Minuten!
Die KSQ ist hier unnötig (und würde so wie eingezeichnet auch nicht funktionieren). Der Strom ist über den 10Ohm Widerstand und den Transistor schon hinreichend begrenzt. Ansonsten gilt das von LEDTester1 schon gesagte...
Wenn die Lampe auch bei schlechtem Wetter noch halbwegs funktionieren soll, dann ist sehr viel Solarleistung erforderlich. Und zwar so viel, dass dann bei voller Sonne die Akkus ohne Laderegelung schon massiv überladen werden.
Wenn die Lampe auch bei schlechtem Wetter noch halbwegs funktionieren soll, dann ist sehr viel Solarleistung erforderlich. Und zwar so viel, dass dann bei voller Sonne die Akkus ohne Laderegelung schon massiv überladen werden.
Besten Dank schonmal!
Mit dieser LED
sollte das ganze ja auch noch etwas Licht erzeugen und etwas länger brennen. Als Solarmodul dachte ich an 2 x 5V/300mA . Natürlich wird es Tage geben wo die LED nicht all zu lang brennt, aber ich glaube mit Hilfer der aktuellen Solartechnik wird es immer ein Kompromiss aus ausreichend Licht und Brenndauer geben, vorallem an bewölkten Tagen.
@ Borax: d.h. ich kann auf Q1, R5, D2 und D3 verzichten?
Mit dieser LED
@ Borax: d.h. ich kann auf Q1, R5, D2 und D3 verzichten?
Eigentlich kannst Du R3, R4, R5, R6 sowie D2 und D3 und auch die Transistoren Q1 und T1 weglassen.
Die LED kommt einfach zwischen + 3.6V und den Kollektor von Q2. Durch den Basiswiderstand von Q2 wird der Strom durch die LED schon recht stark begrenzt. Vermutlich bekommt die LED nicht mehr als maximal 50mA. Wenn Du mehr haben willst, dann mach R2 kleiner (22K oder sogar nur 10K). Weniger sollte es wahrscheinlich nicht sein, sonst kann Q3 das Basispotential nicht weit genug runterziehen und dann schaltet er tagsüber nicht mehr ab. Man könnte natürlich R1 auch wieder kleiner machen...
[EDIT] Laut Sim mit LTSpice kannst Du R2 auch auf bis zu 1.5K verkleinern ohne dass die Schaltung 'leidet' (gut - schaltet wohl schon bei Dämmerung ein, aber das musst Du testen). Das ergibt dann (Sim!) einen LED Strom von max. 350mA der aber nur für 2-3 Stunden fließt (und dabei schon langsam auf ca. 250mA abnimmt). Dann geht er relativ schnell runter bis auf etwa 100mA und schließlich langsam bis 30mA (dann sind aber die Akkus schon sehr leer - etwa 2.7V)
Die LED kommt einfach zwischen + 3.6V und den Kollektor von Q2. Durch den Basiswiderstand von Q2 wird der Strom durch die LED schon recht stark begrenzt. Vermutlich bekommt die LED nicht mehr als maximal 50mA. Wenn Du mehr haben willst, dann mach R2 kleiner (22K oder sogar nur 10K). Weniger sollte es wahrscheinlich nicht sein, sonst kann Q3 das Basispotential nicht weit genug runterziehen und dann schaltet er tagsüber nicht mehr ab. Man könnte natürlich R1 auch wieder kleiner machen...
[EDIT] Laut Sim mit LTSpice kannst Du R2 auch auf bis zu 1.5K verkleinern ohne dass die Schaltung 'leidet' (gut - schaltet wohl schon bei Dämmerung ein, aber das musst Du testen). Das ergibt dann (Sim!) einen LED Strom von max. 350mA der aber nur für 2-3 Stunden fließt (und dabei schon langsam auf ca. 250mA abnimmt). Dann geht er relativ schnell runter bis auf etwa 100mA und schließlich langsam bis 30mA (dann sind aber die Akkus schon sehr leer - etwa 2.7V)
Welche genau?die Schaltung von Seite 3
Zu empfehlen wäre eher die von Seite 4:
viewtopic.php?p=38529#p38529
Die Schaltung mit dem PR4401 geht nicht. Die ist nur für den Betrieb mit einem 1.2V Akku geeignet.
Bin gerade mit Bestellen der Komponenten beschäftigt, die Schottky Diode 1N 5834 jedoch finde ich nicht. 
Edit: Es gibt ja Alternativen, die etwa 2 Seiten weiter beschrieben sind, somit erledigt.
Habe gerade in der Bucht 10 Solarpanels geschossen:
Volt: 0.55V (going up to 0.62V in direct sunlight.)
Amps: 3.6A
Watts: 1.8W
Grösse: 3 Zoll x 6 Zoll oder 8 x 15cm
Gewicht: ca. 5.5g
Welche Akkukapazität kann ich damit laden?
Muss ich einige Zellen in Reihe schalten?
Edit: Es gibt ja Alternativen, die etwa 2 Seiten weiter beschrieben sind, somit erledigt.
Habe gerade in der Bucht 10 Solarpanels geschossen:
Volt: 0.55V (going up to 0.62V in direct sunlight.)
Amps: 3.6A
Watts: 1.8W
Grösse: 3 Zoll x 6 Zoll oder 8 x 15cm
Gewicht: ca. 5.5g
Welche Akkukapazität kann ich damit laden?
Muss ich einige Zellen in Reihe schalten?
- Achim H
- Star-Admin

- Beiträge: 13067
- Registriert: Mi, 14.11.07, 02:14
- Wohnort: Herdecke (NRW)
- Kontaktdaten:
Was willst Du mit einer 40 Ampere Schottky-Diode?
Zugegeben, diese Diode hat super Werte, aber dafür braucht man auch eine eigene Lagerhalle.
Länge: 25,4mm (ohne Gewinde)
Länge: 36,91mm (mit Gewinde)
Breite: 17,45mm (erforderlicher Maulschlüssel: 18mm)
Nimm eine
1N5817 (20V Schottky Diode, max. 1A)
1N5818 (30V Schottky Diode, max. 1A)
1N5819 (40V Schottky Diode, max. 1A)
und gut ist.
Da war ich wohl zu langsam. Habe Dein Edit nicht gesehen.
Wenn Du alle 10 Solarpanels in Reihe schaltest, erhältst Du 5,5V (6,2V bei voller Sonneneinstrahlung*) bei max. 3,6A.
* Und diese hat man nur am Äquator. In unseren Breitengraden kannst Du ungefähr mit 4 bis 5V bei 1,8A rechnen (ungefähr die Hälfte).
Zugegeben, diese Diode hat super Werte, aber dafür braucht man auch eine eigene Lagerhalle.
Länge: 25,4mm (ohne Gewinde)
Länge: 36,91mm (mit Gewinde)
Breite: 17,45mm (erforderlicher Maulschlüssel: 18mm)
Nimm eine
1N5817 (20V Schottky Diode, max. 1A)
1N5818 (30V Schottky Diode, max. 1A)
1N5819 (40V Schottky Diode, max. 1A)
und gut ist.
Da war ich wohl zu langsam. Habe Dein Edit nicht gesehen.
Wenn Du alle 10 Solarpanels in Reihe schaltest, erhältst Du 5,5V (6,2V bei voller Sonneneinstrahlung*) bei max. 3,6A.
* Und diese hat man nur am Äquator. In unseren Breitengraden kannst Du ungefähr mit 4 bis 5V bei 1,8A rechnen (ungefähr die Hälfte).
Bezog mich in der 1. Zeile auf folgende Schaltung:

Die 5818 habe ich ja auch bestellt, somit der richtige!
Die Widerstände bleiben doch auch die gleichen bei meinem 6v Akkupack/ 9V Solarpanel?
Mit den zusammen geschalteten Panels kann ich also einen 3,6V Akkupack laden, ist das richtig?
Oder einfach mal mit 3 ausprobieren, mit ner 1,2er Batterie.
Dann wir die Lampe auch nicht so überdimensioniert.
Muss ich halt ein bisschen experimentieren.
Die 5818 habe ich ja auch bestellt, somit der richtige!
Die Widerstände bleiben doch auch die gleichen bei meinem 6v Akkupack/ 9V Solarpanel?
Mit den zusammen geschalteten Panels kann ich also einen 3,6V Akkupack laden, ist das richtig?
Oder einfach mal mit 3 ausprobieren, mit ner 1,2er Batterie.
Dann wir die Lampe auch nicht so überdimensioniert.
Muss ich halt ein bisschen experimentieren.
- Achim H
- Star-Admin

- Beiträge: 13067
- Registriert: Mi, 14.11.07, 02:14
- Wohnort: Herdecke (NRW)
- Kontaktdaten:
Ohne weitere Maßnahmen: Nein.Mit den zusammen geschalteten Panels kann ich also einen 3,6V Akkupack laden, ist das richtig?
Auch Akkus haben ihre Parameter. Unter anderem, mit welchem Strom diese geladen werden dürfen.
- Achim H
- Star-Admin

- Beiträge: 13067
- Registriert: Mi, 14.11.07, 02:14
- Wohnort: Herdecke (NRW)
- Kontaktdaten:
Für jeden Akku gibt es auch ein Datenblatt.
In diesem steht drin,
wie hoch die Ladespannung sein muss, mit welchem Strom die Akkus geladen werden dürfen, Innenohmwiderstand, usw..
Typisch werden Akkus mit 1/10 der Nennkapazität* geladen. Dauer 14 Stunden.
Bei Schnellladung** darf der Strom höher sein. Wie hoch, steht im Datenblatt**. Die Zeit verkürzt sich entsprechend.
Bei Akkus, die nur stromerhaltend geladen werden sollen, kann der Strom abweichend auch nur 1/30 bis 1/500 der Nennkapazität* betragen.
* Nennkapazität: der aufgedruckte Wert auf dem Akku.
Beispiel: 2100mAh
lässt man das "h" weg, erhält man den Strom. Bei einigen Akkus wird das als 1C (einfache Kapazität) angegeben.
Strom / 10 = typischer Strom beim Laden
** Schnellladung: nur wenn dieses laut Datenblatt auch erlaubt ist.
Beispiel: 4C (entspricht dem 4-fachen Strom).
In diesem steht drin,
wie hoch die Ladespannung sein muss, mit welchem Strom die Akkus geladen werden dürfen, Innenohmwiderstand, usw..
Typisch werden Akkus mit 1/10 der Nennkapazität* geladen. Dauer 14 Stunden.
Bei Schnellladung** darf der Strom höher sein. Wie hoch, steht im Datenblatt**. Die Zeit verkürzt sich entsprechend.
Bei Akkus, die nur stromerhaltend geladen werden sollen, kann der Strom abweichend auch nur 1/30 bis 1/500 der Nennkapazität* betragen.
* Nennkapazität: der aufgedruckte Wert auf dem Akku.
Beispiel: 2100mAh
lässt man das "h" weg, erhält man den Strom. Bei einigen Akkus wird das als 1C (einfache Kapazität) angegeben.
Strom / 10 = typischer Strom beim Laden
** Schnellladung: nur wenn dieses laut Datenblatt auch erlaubt ist.
Beispiel: 4C (entspricht dem 4-fachen Strom).
Danke für die Erklärung, wusste das nicht mit den Datenblättern.
Ich sehe dann aber ja auch, dass die Leistung der Solarzellen bei jeweils 3,6 A deutlich zu hoch ist, um
einen solchen Akku überhaupt geladen zu bekommen.
Liegt wohl an der Fläche der einzelnen Zelle(n).
Da müsste dann wohl was anderes her (Akku oder Zelle).
Welchen Akku könnte ich denn mit einer oben angegebenen Zelle überhaupt laden,
wenn ich alle 10 Zellen in Reihe schalte?
Ich sehe dann aber ja auch, dass die Leistung der Solarzellen bei jeweils 3,6 A deutlich zu hoch ist, um
einen solchen Akku überhaupt geladen zu bekommen.
Liegt wohl an der Fläche der einzelnen Zelle(n).
Da müsste dann wohl was anderes her (Akku oder Zelle).
Welchen Akku könnte ich denn mit einer oben angegebenen Zelle überhaupt laden,
wenn ich alle 10 Zellen in Reihe schalte?
Also um einen Akku mit o.g. Solarzellen zu laden, müsste das doch eigentlich eine 48 A Autobatterie sein?
Könnte mir auch vorstellen, eine seperate Batterieeinheit aufzustellun, welche
ihren Strom an mehrere einzelne Parallel geschaltete Solarleuchten ohne eigenes Panel abgibt.
Könnte mir auch vorstellen, eine seperate Batterieeinheit aufzustellun, welche
ihren Strom an mehrere einzelne Parallel geschaltete Solarleuchten ohne eigenes Panel abgibt.
- Achim H
- Star-Admin

- Beiträge: 13067
- Registriert: Mi, 14.11.07, 02:14
- Wohnort: Herdecke (NRW)
- Kontaktdaten:
10 Solarzellen a 0,55V ergeben nur 5,5V (und das auch nur bei optimaler Sonneneinstrahlung. Wie hoch die Spannung effektiv ist, müsste man messen.).Also um einen Akku mit o.g. Solarzellen zu laden, müsste das doch eigentlich eine 48 A Autobatterie sein?
Um eine Autobatterie (12V) laden zu können sind mindestens 13,8V erforderlich.
Soviel Spannung produzieren Deine Panel nicht.
Mit den Panel kannst Du nur Mignon-Akkus (oder eine ähnliche Bauform) laden.
Unter guten Bedingungen (Sommer, keine Abschattung, sonniger Tag) kannst Du aus den 10 Zellen (also 5.5V Nennspannung und 3.6A) etwa 10Ah in einen Akku laden. Weil es optimale Bedingungen nicht so oft gibt, reichen IMHO 8Ah auch. Wegen der relativ niedrigen Spannung kommt eigentlich nur eine Li-Zelle oder 2 Blei-Zellen in Frage. Beides benötigt aber auch eine Laderegelung. Passende Blei-Zellen wären z.B. diese hier: http://www.reichelt.de/Blei-Akkus-2V-Ha ... KER+E-8+AH Passende Li-Zelle: http://shop.lipopower.de/LiNANOZ-9-Ah-3 ... nderposten
- Achim H
- Star-Admin

- Beiträge: 13067
- Registriert: Mi, 14.11.07, 02:14
- Wohnort: Herdecke (NRW)
- Kontaktdaten:
Die Kapazität ist weitestgehend egal.
Zum Laden sollte man allerdings einen Laderegler verwenden (kann auch ein simpler Vorwiderstand sein).
Das Panel kann bestenfalls (bei optimaler Sonneneinstrahlung und in der besten Sonnenlage) 3,6A liefern.
Bei durchschnittlich 5,18 Sonnenstunden* wären das 3,6A x 5,18h = 18,6Ah (abgerundet).
Über einen Laderregler kann man die Höhe des Ladestrom einstellen. Von daher kannst Du alle Akkus bis zu 18,6Ah laden.
Man kann Akkus auch mehrere Tage lang laden. Aber wer möchte das schon.
Die Kapazität kann entsprechend größer sein.
* abhängig vom Monat
Die kürzeste Sonnenscheindauer hatten wir im Januar 2013 mit 22 Stunden im Monat.
22h / 31Tg = Ø 0,7h
Die längste Sonnenscheindauer hatten wir im September 2013 mit 290h im Monat.
290h / 30Tg = Ø 9,66h
Tagesmittel für Deutschland: (0,7h + 9,66h) / 2 = 5,18h
Persönliche Anmerkung:
mehr als 6Ah sollten die Akkus nicht haben.
In unseren Breitengraden scheint die Sonne nicht ganz so heftig.
Zum Laden sollte man allerdings einen Laderegler verwenden (kann auch ein simpler Vorwiderstand sein).
Das Panel kann bestenfalls (bei optimaler Sonneneinstrahlung und in der besten Sonnenlage) 3,6A liefern.
Bei durchschnittlich 5,18 Sonnenstunden* wären das 3,6A x 5,18h = 18,6Ah (abgerundet).
Über einen Laderregler kann man die Höhe des Ladestrom einstellen. Von daher kannst Du alle Akkus bis zu 18,6Ah laden.
Man kann Akkus auch mehrere Tage lang laden. Aber wer möchte das schon.
Die Kapazität kann entsprechend größer sein.
* abhängig vom Monat
Die kürzeste Sonnenscheindauer hatten wir im Januar 2013 mit 22 Stunden im Monat.
22h / 31Tg = Ø 0,7h
Die längste Sonnenscheindauer hatten wir im September 2013 mit 290h im Monat.
290h / 30Tg = Ø 9,66h
Tagesmittel für Deutschland: (0,7h + 9,66h) / 2 = 5,18h
Persönliche Anmerkung:
mehr als 6Ah sollten die Akkus nicht haben.
In unseren Breitengraden scheint die Sonne nicht ganz so heftig.
Hallo zusammen,
bezogen auf folgende Schaltung:
download/file.php?id=10675
1) Bei 2 Solarmodulen(von insg. 5, die ich mir besorgt habe) kommt die LED gar nicht zum Leuchten. Der Grund ist, diese Solarmodule zeigen eine viel größere Spannung(etwa 2x) im Vgl. zu den restlichen, unter gleichen Lichtverhältnissen. Auch wenn es fast dunkel ist, schaltet der LED-Betrieb nur mäßig ein, also ein sehr sehr schwaches Licht. (Mit den restlichen Solarmodulen funktioniert es einwandfrei.)
Welche Parameter an der Schaltung müssen geändert werden und in welche Richtung sodass der LED-Betrieb normal bei Dämmerung einschaltet?
2) Habe zuletzt einige Nichia 5mm Power LED weiß 28lm NSDW570GS-K1 eingesetzt. Diese haben, in der Schaltung von oben eingesetzt, eine stärkere Leuchtkraft im Vgl. zu anderen 5mm LEds, können jedoch noch stärker leuchten. Meine zweite Frage jetzt:
Welche Parameter an der Schaltung müssen geändert werden und in welche Richtung sodass die Power LED etwas mehr mA bekommt, z.B. 40-50mA, was einen Lichtstrom von 15-20 LUM laut LED-Datenblatt ergeben würde? (also eine höhere Leuchtkraft auf Kosten der Leuchtzeit).
Liebe Grüße und frohe Weihnachten!
bezogen auf folgende Schaltung:
download/file.php?id=10675
1) Bei 2 Solarmodulen(von insg. 5, die ich mir besorgt habe) kommt die LED gar nicht zum Leuchten. Der Grund ist, diese Solarmodule zeigen eine viel größere Spannung(etwa 2x) im Vgl. zu den restlichen, unter gleichen Lichtverhältnissen. Auch wenn es fast dunkel ist, schaltet der LED-Betrieb nur mäßig ein, also ein sehr sehr schwaches Licht. (Mit den restlichen Solarmodulen funktioniert es einwandfrei.)
Welche Parameter an der Schaltung müssen geändert werden und in welche Richtung sodass der LED-Betrieb normal bei Dämmerung einschaltet?
2) Habe zuletzt einige Nichia 5mm Power LED weiß 28lm NSDW570GS-K1 eingesetzt. Diese haben, in der Schaltung von oben eingesetzt, eine stärkere Leuchtkraft im Vgl. zu anderen 5mm LEds, können jedoch noch stärker leuchten. Meine zweite Frage jetzt:
Welche Parameter an der Schaltung müssen geändert werden und in welche Richtung sodass die Power LED etwas mehr mA bekommt, z.B. 40-50mA, was einen Lichtstrom von 15-20 LUM laut LED-Datenblatt ergeben würde? (also eine höhere Leuchtkraft auf Kosten der Leuchtzeit).
Liebe Grüße und frohe Weihnachten!
1) Du kannst testweise R1 mal auf 1M vergrößern, wenn das auch nicht gut geht, einen weiteren Widerstand (oder besser gleich ein Poti) zwischen Basis von Q2 und Masse schalten (bei R1 = 470K, sollte der dann etwa 100K haben oder Poti mit z.B. 250K).
2) R2 (und R3) verkleinern. Siehe z.B. auch: viewtopic.php?p=95796#p95796
2) R2 (und R3) verkleinern. Siehe z.B. auch: viewtopic.php?p=95796#p95796
Hallo Allerseits,
mein Name ist Harald und als Bastler habe ich Eure LED Lampen Neu - und Umbauten aufmerksam verfolgt und möchte meine Hochachtung zum Ausdruck bringen.
Mit wenigen und günstigen Bauteilen solch Ergebnisse hinzulegen, mein Respekt.
Ich bin allgemein mit meinen Gartenlampen zufrieden nachdem ich sie mit anderen Leds ausgerüstet habe. Nur ein letztes Manko möchte ich noch beseitigen:
Im Winter, also jetzt, sind die Akkus leider schon nach 3 Stunden leer.
Ich hoffe das mir jemand sagen kann das ich die Leuchtdauer ganz einfach durch wechseln des Solarmoduls erheblich verlängern kann.
Leider ist die Grösse auf 6,5 x 6,0 cm begrenzt und sieht so aus: Rückseitige Bezeichnung: JINGYI 60*65
Mit ein bisschen Bastelei bekäme ich vielleicht noch ein Modul in 90 x 90 mm rein.
Die beiden gelblichen Original Leds wurden gegen Ultrabright 12000mcd, 6500 Kelvin, 20mA, 0,06W, Typ 2,8V, V max. 3,4V ersetzt. Die beiden Billigakkus mit einer Nennleistung von 600mAh wurden bei allen Leuchten ganz schnell entfernt da sie im Ladegerät nicht viel mehr als 150mAh Kapazität hatten. Da ich allgemein ausschließlich und viel mit Akkus arbeite hatte ich einige Eneloop 2000 dafür rumliegen wenngleich sie vermutlich dafür zu schade sind.
Ich habe mal bei der heutigen Bewölkung ohne eingebaute Akkus gemessen = 3,2 Volt,
unter einer 50 Watt Halogenlampe waren es etwas über 4 Volt.
Hoffe es findet sich ein passendes Solar Modul und die kleine ?? Diode ?? wird nur zwischen Plus/Minus gelötet.
Gruß,
Harald
mein Name ist Harald und als Bastler habe ich Eure LED Lampen Neu - und Umbauten aufmerksam verfolgt und möchte meine Hochachtung zum Ausdruck bringen.
Mit wenigen und günstigen Bauteilen solch Ergebnisse hinzulegen, mein Respekt.
Ich bin allgemein mit meinen Gartenlampen zufrieden nachdem ich sie mit anderen Leds ausgerüstet habe. Nur ein letztes Manko möchte ich noch beseitigen:
Im Winter, also jetzt, sind die Akkus leider schon nach 3 Stunden leer.
Ich hoffe das mir jemand sagen kann das ich die Leuchtdauer ganz einfach durch wechseln des Solarmoduls erheblich verlängern kann.
Leider ist die Grösse auf 6,5 x 6,0 cm begrenzt und sieht so aus: Rückseitige Bezeichnung: JINGYI 60*65
Mit ein bisschen Bastelei bekäme ich vielleicht noch ein Modul in 90 x 90 mm rein.
Die beiden gelblichen Original Leds wurden gegen Ultrabright 12000mcd, 6500 Kelvin, 20mA, 0,06W, Typ 2,8V, V max. 3,4V ersetzt. Die beiden Billigakkus mit einer Nennleistung von 600mAh wurden bei allen Leuchten ganz schnell entfernt da sie im Ladegerät nicht viel mehr als 150mAh Kapazität hatten. Da ich allgemein ausschließlich und viel mit Akkus arbeite hatte ich einige Eneloop 2000 dafür rumliegen wenngleich sie vermutlich dafür zu schade sind.
Ich habe mal bei der heutigen Bewölkung ohne eingebaute Akkus gemessen = 3,2 Volt,
unter einer 50 Watt Halogenlampe waren es etwas über 4 Volt.
Hoffe es findet sich ein passendes Solar Modul und die kleine ?? Diode ?? wird nur zwischen Plus/Minus gelötet.
Gruß,
Harald
Hallo Harald,
welcome on board!
Der Unterschied im 'Solarertrag' zwischen Sommer und Winter ist einfach zu groß (> 5 im Monatsdurchschnitt - für einzelne Tage kann der Unterschied auch durchaus im Bereich 1:50 liegen). Hier mal eine Statistik von einer der besten Solaranlagen Deutschlands (mit 2 achsiger Nachführung - liegt zufällig in direkter Nachbarschaft von Lumitronix
):
http://www.sonnenertrag.eu/de/haigerloc ... 13385.html
welcome on board!
Verlängern: Ja. Erheblich: eher nicht....ganz einfach durch wechseln des Solarmoduls erheblich verlängern kann.
Der Unterschied im 'Solarertrag' zwischen Sommer und Winter ist einfach zu groß (> 5 im Monatsdurchschnitt - für einzelne Tage kann der Unterschied auch durchaus im Bereich 1:50 liegen). Hier mal eine Statistik von einer der besten Solaranlagen Deutschlands (mit 2 achsiger Nachführung - liegt zufällig in direkter Nachbarschaft von Lumitronix
http://www.sonnenertrag.eu/de/haigerloc ... 13385.html
