Würde mich trotzdem reizen, einen Strahler zu zerlegen.
Leider gibt´s die wohl nur im 10er-Pack, und das ist mir der Spaß auch wieder nicht wert.
Moderator: T.Hoffmann
Bin ich auch. Durch und durch.Achim H hat geschrieben:Ich dachte immer, Du wärst der Mann.
Entschuldigen Sie bitte vielmals Frau Loong.

Oh, ich verzeihe Dir gerne, das ist auch gar nicht der Punkt. Aber findest Du es nicht selber, nunja, um eine vorsichtige Vokabel zu benutzen, merkwürdig, zuerst absichtlich irgendein billiges China-Teil zu kaufen und sich dann ellenlang darüber auszulassen, was für ein billiges China-Teil Du doch erhalten hast? Na?ustoni hat geschrieben:Loong möge mir verzeihen - trotz billigster China-Herkunft.
Kann man so sehen, muss man aber nicht.China produziert das, was von ihm gewünscht wird.
...Die Löhne der Fabrikarbeiter steigen seit 2008 stetig mit zweistelligen Zuwachsraten jährlich. China ist schon lange kein Billiglohnland mehr, Low-End-Fabrikanten wandern nach Bangladesch oder andere Billiglohnländer aus.
Menschen zählen da ja anscheinend nichts oder kosten nichts.
@Achim H
Achim H hat geschrieben:
Ich dachte immer, Du wärst der Mann.
Bin ich auch. Durch und durch.
Nein, noch nicht einmal ansatzweise, das wirst Du aber wohl kaum verstehen.Oh, ich verzeihe Dir gerne, das ist auch gar nicht der Punkt. Aber findest Du es nicht selber, nunja, um eine vorsichtige Vokabel zu benutzen, merkwürdig, zuerst absichtlich irgendein billiges China-Teil zu kaufen und sich dann ellenlang darüber auszulassen, was für ein billiges China-Teil Du doch erhalten hast? Na?
Und? Hab ich irgendwann irgendwas anderes behauptet?40 % der weltweit produzierten Consumer-Elektronik läuft von den Bändern eines einzigen chinesischen Herstellers: Foxconn. Besitzt Du ein Gerät von Nikon, Sony, Nokia oder Dell, nur um ein paar zu nennen? Dann hast Du auch ein Made-in-China-Gerät in der Hand. Benutzt Du ein Mobiltelefon? Dann telefonierst Du mit guter Wahrscheinlichkeit über Netz-Infrastruktur von Huawei oder ZTE.
Ganz knusprig bist du nicht mehr oder? Machst genau damit weiter, weswegen du hier im Forum gesperrt wurdest. Manche lernen's nie...ustoni hat geschrieben:![]()
![]()
![]()
![]()
![]()
![]()
Danke, sehe ich auch socapslock hat geschrieben:Und davon sehe ich momentan nur einen.
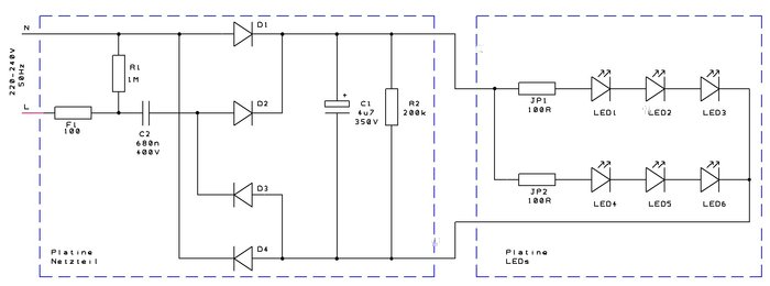
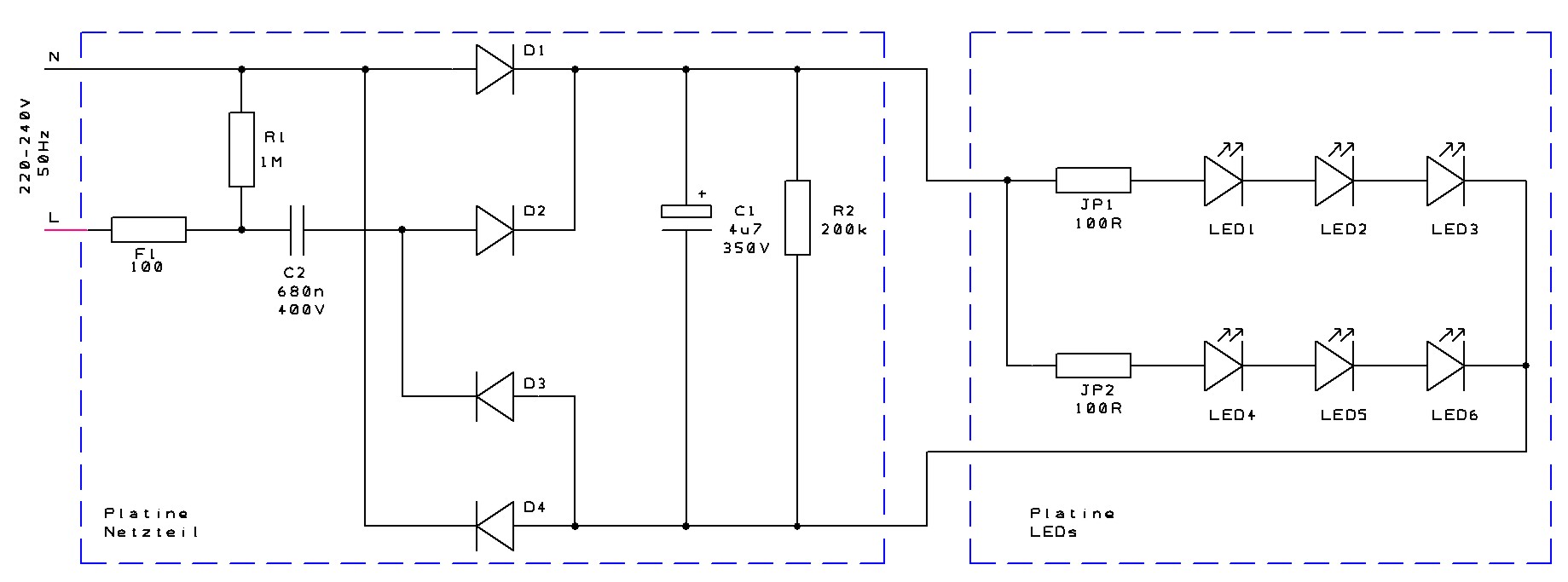
Hochspannung? Die besitzen doch nur einen normalen Netzanschluß, also Niederspannung, wie ich das sehe.Die Strahler von Gerd würde ich nur verwenden, wenn ich mal den Hochspannungsteil gesehen habe.

Sollte eine dieser Leuchten vorzeitig das Zeitliche segnen, lasse ich Dir gerne eine zukommen.ustoni hat geschrieben:Würde mich trotzdem reizen, einen Strahler zu zerlegen.![]()
Da widerspreche ich nicht. Ich habe nicht erwartet, die Qualität einer Nichia zu bekommen. Wenn man Geld für einen Fiat in die Hand nimmt, kann man keinen Mercedes verlangen.capslock hat geschrieben:Die verlinkten 3 W - LEDs sind in €/lm gnadenlos günstig (0,1 c / lm!!!), allerdings mit 700 mA * im Mittel 3,5 V = 2,45 W und im Mittel 190 lm, also 77,5 lm/W und das bei recht kaltem warmweiss und ohne CRI-Angabe der Stand von vorvorgestern.
Was hiermit bewiesen wäre.Bei Philips verhält es sich so, wenn die gleichen Leds wie zuvor nicht zu bekommen sind, werden andere Leds eingebaut. Da kann es passieren, dass nach 3 Fertigungen auch 3 verschiedene Leds verwendet und auch 3 Datenblätter erstellt wurden, aber alle mit der gleichen Artikelnummer ausgeliefert werden.
Der erste Teil war auch mein erster Gedanke. Nur hätte mir dann der Zusammenhang zum ersten Strahler gefehlt. Auf die Idee mit dem Verlinken bin ich leider nicht gekommen.Ich fände es besser, wenn dieser Beitrag in einen eigenen Thread kommt und hier nur verlinkt wird.
Ich habe mir diese Mühe gemacht, bitte hier weiterlesen:ustoni hat geschrieben:Der erste Teil war auch mein erster Gedanke. Nur hätte mir dann der Zusammenhang zum ersten Strahler gefehlt. Auf die Idee mit dem Verlinken bin ich leider nicht gekommen.Ich fände es besser, wenn dieser Beitrag in einen eigenen Thread kommt und hier nur verlinkt wird.![]()
Vielleicht kann sich ja ein Moderator der Sache annehmen, einen entsprechenden Thread (als Sammelthread für zukünftige Beiträge dieser Art) erstellen und die relevanten Beiträge dorthin kopieren?