LED-Farben
Moderator: T.Hoffmann
weil das royalblue ist 
Ich finde um konkrete angaben zu den LEDs zu geben müsste man erstmal wissen wie du den Glastisch beleuchten willst??
-Von unten her ein milchiges Glas
-von den Seitenkanten milchiges Glas
-Klares Glas, wüsste aber nicht wie das gehen soll!
Wenn du postest wie du es machen willst kannst du konkrete Angeben haben, wie den Abstrhlwinkel und die Helligkeit, welche enscheidend sind!
MfG Mario
-Von unten her ein milchiges Glas
-von den Seitenkanten milchiges Glas
-Klares Glas, wüsste aber nicht wie das gehen soll!
Wenn du postest wie du es machen willst kannst du konkrete Angeben haben, wie den Abstrhlwinkel und die Helligkeit, welche enscheidend sind!
MfG Mario
ich würde rote, grüne und blaue leds nehmen 
dann kann man ganz einfach die farbe einstellen die man grad mag...
und soviel teurer kommts auch ned
dann kann man ganz einfach die farbe einstellen die man grad mag...
und soviel teurer kommts auch ned
-
Headshot XXL
- User

- Beiträge: 44
- Registriert: Do, 28.06.07, 15:20
- Kontaktdaten:
Moin erstma,
wenn wir schon beim Thema Glastisch sind, welchen Bohrer sollte man zum bohren von einem 3-6 mm Loch in Glas nehmen?
wenn wir schon beim Thema Glastisch sind, welchen Bohrer sollte man zum bohren von einem 3-6 mm Loch in Glas nehmen?
joa man könnte entweder mit einen poti das man die helligkeit einstellen kann, oder man nehme einen normalen schalter, dann könntest du bestimmte led´s einschalten und bestimmte led´s ausschalten.
wäre auch ganz schön.
oder du kennst dich bisschen mit einen logo aus dann kannst du per logo das steuern.
das logo hat eine cd, mit der software kannst du einen schönen schaltplan auf dem computer bauen und dann an den led´s anschlissen.
kannst alles schalten wie z.B. wann die led´s angehen sollen oder aus, oder du kannst auch ein blinklich schalten usw.
tolle sache.
mfg Pacio
wäre auch ganz schön.
oder du kennst dich bisschen mit einen logo aus dann kannst du per logo das steuern.
das logo hat eine cd, mit der software kannst du einen schönen schaltplan auf dem computer bauen und dann an den led´s anschlissen.
kannst alles schalten wie z.B. wann die led´s angehen sollen oder aus, oder du kannst auch ein blinklich schalten usw.
tolle sache.
mfg Pacio
Aber ich habe noch nichts gehört, dass man mit einer LOGO oder ähnlichem Die Ausgänge dimmen kann, d.h die Spannung oder den Strom auf bestimmte werte begrenzen!
MfG MArio
MfG MArio
-
Headshot XXL
- User

- Beiträge: 44
- Registriert: Do, 28.06.07, 15:20
- Kontaktdaten:
Wie willst du mit Logikverknüpfungen eine LED ansteuern? Mit Logikverknüpfungen kann man vielleicht schöne Lichteffekte erziehlen. Wenn man verschieden farbige LEDs hat dann macht mein zum Beispiel 3 Schalter:
1. Schalter für alle Roten LEDs
2. Schalter für alle Grünen LEDs
3. Schalter für alle Blauen LEDs
Mit Logikverknüpfungen wäre das viel zu aufwändig!
@Mario159:
Bei Logikverknüpfungen gibts nur High oder Low
1. Schalter für alle Roten LEDs
2. Schalter für alle Grünen LEDs
3. Schalter für alle Blauen LEDs
Mit Logikverknüpfungen wäre das viel zu aufwändig!
@Mario159:
Bei Logikverknüpfungen gibts nur High oder Low
Zuletzt geändert von Headshot XXL am So, 01.07.07, 19:52, insgesamt 1-mal geändert.
ja da hast du recht, das geht nicht. damit meinte ich z.B. so ein blinklicht.mario159 hat geschrieben:Aber ich habe noch nichts gehört, dass man mit einer LOGO oder ähnlichem Die Ausgänge dimmen kann, d.h die Spannung oder den Strom auf bestimmte werte begrenzen!
MfG MArio
ich mache keine werbung für siemens ^^ ist sowieso doffe firma. aber es gibt auch eine andere firma die baut auch logos, die heisen dann aber anders.
mfg Pacio
-
Headshot XXL
- User

- Beiträge: 44
- Registriert: Do, 28.06.07, 15:20
- Kontaktdaten:
Vergiss die Logikverknüpfung!
Mach einfach ne Blende mit ein paar Schaltern und Potis, dann kannste alles schon steuern und dimmen
Mach einfach ne Blende mit ein paar Schaltern und Potis, dann kannste alles schon steuern und dimmen
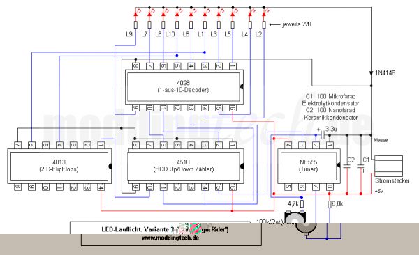
Was willst du bitte mit einem Knight-Rider-Lauflicht Schaltplan in diesem Thread, der passt ja so gut wie kuchen zu wurst!
Er will eine GLASTISCHBELEUCHTUNG!
MfG Mario
Er will eine GLASTISCHBELEUCHTUNG!
MfG Mario
Ja hast recht, hab mich verlesen ^^mario159 hat geschrieben:Was willst du bitte mit einem Knight-Rider-Lauflicht Schaltplan in diesem Thread, der passt ja so gut wie kuchen zu wurst!![]()
![]()
Er will eine GLASTISCHBELEUCHTUNG!
MfG Mario
Aber trotzdem, vielleicht ändert er seine meinung
P.S. Wurst zu kuchen schmeckt sicher jut
Mfg



