Hallo an alle...
ich hatte da mal ne frage und zwar ob es standard led´s gibt die von sich aus alle 1,5-3 sek blinken? wenn nicht kann mir vielleicht jemand eine bestimmte schaltung empfehlen mit der ich so etwas machen kann? Ich habe schon bei google gesucht, habe allerdings ziemlich unterschiedliche schaltungen gefunden und weiß nicht welche davon am besten ist.
Was dabei sehr wünschenswert wäre, wäre wenn die schaltung ziemlich wenig strom verbraucht.
Thx schon mal im voraus!
Wolli
PS: Die LED würde mit 12V betrieben werden.
LED Blinker
Moderator: T.Hoffmann
...wenn die schaltung ziemlich wenig strom verbraucht.
Wie wenig?
Es gibt schon 'Tricks', um z.B. zuerst nur einen Kondensator zu laden, dann den Strom durch das Led schicken. Wird aber hauptsächlich bei '1-Batterie' (1.5V) Schaltungen verwendet. 12V ist schon eher 'viel' (das Led braucht nur 2-3 V). Soll das im Auto angeschlossen werden?
Wie wenig?
Es gibt schon 'Tricks', um z.B. zuerst nur einen Kondensator zu laden, dann den Strom durch das Led schicken. Wird aber hauptsächlich bei '1-Batterie' (1.5V) Schaltungen verwendet. 12V ist schon eher 'viel' (das Led braucht nur 2-3 V). Soll das im Auto angeschlossen werden?
Also die blinkende LED in einen Kasten eingebaut der draußen am haus montiert ist. Das ist für meinen Vater und der möchte das als ??alarmanlagen Imitat?? nutzen. Weiß zwar nicht ob das was bringt aber ok.
Sein wunsch ist, dass er die batterien so selten wie möglich wechseln muss.
Aber noch mals vielen dank für eure antworten werde mir den Multivibrator noch mal etwas näher anschauen, schaut ziemlich interessant aus!
Thx & Greetz Wolli
Sein wunsch ist, dass er die batterien so selten wie möglich wechseln muss.
Aber noch mals vielen dank für eure antworten werde mir den Multivibrator noch mal etwas näher anschauen, schaut ziemlich interessant aus!
Thx & Greetz Wolli
- Sailor
- Moderator
- Beiträge: 9427
- Registriert: Di, 28.11.06, 22:16
- Wohnort: Saarland, Deutschland und die Welt
Bei einer derartigen Aufgabe arbeitest Du besser mit einer kleineren Spannung.
Idealerweise sollte die eingesetzte Spannung etwa 1 Volt über der LED-Spannung liegen, bei einer roten LED mit 2,1 Volt also 3 Volt (2 Batterien in Reihe). Damit werden die Verluste in der Schaltung geringer (auch im Vorwiderstand für die LED).
Mit dickeren oder parallel geschalteten Batterien kannst Du dann die Wechselintervalle der Batterien verlängern.
Idealerweise sollte die eingesetzte Spannung etwa 1 Volt über der LED-Spannung liegen, bei einer roten LED mit 2,1 Volt also 3 Volt (2 Batterien in Reihe). Damit werden die Verluste in der Schaltung geringer (auch im Vorwiderstand für die LED).
Mit dickeren oder parallel geschalteten Batterien kannst Du dann die Wechselintervalle der Batterien verlängern.
- Elektronikmann
- Ultra-User

- Beiträge: 844
- Registriert: Mo, 19.03.07, 10:37
- Wohnort: Mainz
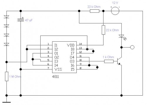
Ich hatte diese Schaltung jahrelang als Alarmimitat im Auto. Allerding an einer 9V Block.
Durch verändern der Diodenanzahl verändert man die Plinkrate.
LED war eine Low-Current. Vielleicht kann Sailor die etwas für dein Anliegen ändern.
mfg
Durch verändern der Diodenanzahl verändert man die Plinkrate.
LED war eine Low-Current. Vielleicht kann Sailor die etwas für dein Anliegen ändern.
mfg
Ohne großen Schaltungsaufwand: Blink-Led. Die gibt's fertig zu kaufen (C*, R*, E*, P*). Einen Vorwiderstand dazu für 12V und es blinkt. Allerdings mit fester Frequenz.Wolli hat geschrieben:Hallo an alle...
ich hatte da mal ne frage und zwar ob es standard led´s gibt die von sich aus alle 1,5-3 sek blinken? wenn nicht kann mir vielleicht jemand eine bestimmte schaltung empfehlen mit der ich so etwas machen kann? Ich habe schon bei google gesucht, habe allerdings ziemlich unterschiedliche schaltungen gefunden und weiß nicht welche davon am besten ist.
Was dabei sehr wünschenswert wäre, wäre wenn die schaltung ziemlich wenig strom verbraucht.
Thx schon mal im voraus!
Wolli
PS: Die LED würde mit 12V betrieben werden.
- Mirfaelltkeinerein
- Ultra-User

- Beiträge: 748
- Registriert: Mi, 25.10.06, 17:52
- Wohnort: Südwesten
@Elektronikmann:
Hey, die Schaltung kenn' ich. Ich habe die für 9V gebaut und so 'getunet', dass die acht LEDs blitzen lässt. Das alles in einen Nylon-Gürtel verpacken und schon ist man nachts beim Joggen seeeehr gut sichtbar
Die Schaltung ist doch aus einem alten Siemens-Applikationen-Buch, oder? (sowas gibt's heute ja nicht mehr
)
Hey, die Schaltung kenn' ich. Ich habe die für 9V gebaut und so 'getunet', dass die acht LEDs blitzen lässt. Das alles in einen Nylon-Gürtel verpacken und schon ist man nachts beim Joggen seeeehr gut sichtbar
Die Schaltung ist doch aus einem alten Siemens-Applikationen-Buch, oder? (sowas gibt's heute ja nicht mehr
Blink-LEDs gibt es sehr wohl.Ob die Frequenz passt, kann ich nicht sagen. Hier dürfte aber ein Blick in die entsprechenden Datenblätter helfen. Schau doch einfach einmal bei den großen Versendern (C*, R*, E*, P*).Wolli hat geschrieben:Hallo an alle...
ich hatte da mal ne frage und zwar ob es standard led´s gibt die von sich aus alle 1,5-3 sek blinken? wenn nicht kann mir vielleicht jemand eine bestimmte schaltung empfehlen mit der ich so etwas machen kann? Ich habe schon bei google gesucht, habe allerdings ziemlich unterschiedliche schaltungen gefunden und weiß nicht welche davon am besten ist.
Was dabei sehr wünschenswert wäre, wäre wenn die schaltung ziemlich wenig strom verbraucht.
Thx schon mal im voraus!
Wolli
PS: Die LED würde mit 12V betrieben werden.
-
Bullirider
- Mini-User
- Beiträge: 1
- Registriert: So, 16.12.07, 11:58
Hallo Wolli,
ich habe einen LM 3909 N und einen 100µF Elko und 2 Standart Led's verbaut. Gespeist mit 1,5 Volt. Blinkt ewig. Musst halt das Schaltbild im Netz suchen, vielleicht hats aber auch einer.
Grüsse aus dem wilden Süden
Garry
ich habe einen LM 3909 N und einen 100µF Elko und 2 Standart Led's verbaut. Gespeist mit 1,5 Volt. Blinkt ewig. Musst halt das Schaltbild im Netz suchen, vielleicht hats aber auch einer.
Grüsse aus dem wilden Süden
Garry
- Mirfaelltkeinerein
- Ultra-User

- Beiträge: 748
- Registriert: Mi, 25.10.06, 17:52
- Wohnort: Südwesten
Nur blöd, dass der LM3909N nicht mehr gebaut wird. War ein witziger Chip...

