LED Licht und Bremslicht

Fragen zu Schaltungen, Elektronik, Elektrik usw.

Moderator: T.Hoffmann

Antworten
die-maus
Mini-User
Beiträge: 3
Registriert: Mo, 10.12.07, 19:27

Mo, 10.12.07, 19:38

Hi,

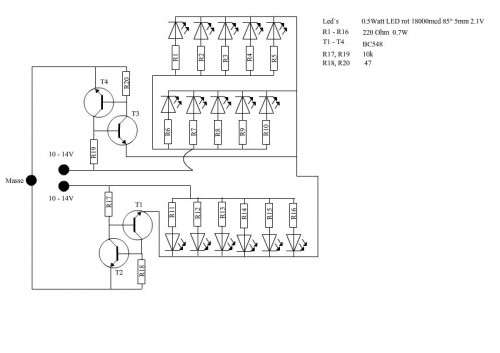
ich habe ein LED Licht mit E-Norm und mir ist jetzt vom Originalem Bestückungsplan das 2. mal alles durchgbrannt. Nun will ich es endlich so machen, dass es auch hält. Bin nicht sehr gut in Elektrotechnik, kann mich halt etwas über Wasser halten. Habe einen Schaltplanentwurf gemacht, kann sich das mal ein experte anschauen.

LG
die-maus
Dateianhänge
Entwurfschaltplan
Entwurfschaltplan
Benutzeravatar
Pehu
Mega-User
Mega-User
Beiträge: 469
Registriert: Mi, 01.11.06, 19:33
Kontaktdaten:

Mo, 10.12.07, 20:19

Was mir gleich auffällt, warum schaltest du nicht mehrere rote Leds in Reihe? Bei ca. 2,1 Volt sind max. 5 Leds in Reihe möglich (5 x 2,1 = 10,5 Volt). Ansonsten tust du unnötig Strom verheizen...

Außerdem muss du beachten, dass ein BC548 nur max. 100 mA verträgt.

Was ich komisch finde ist die Verdrahtung der Transistoren, was willst du mit der erreichen? Ich blicke nicht durch. :?:
die-maus
Mini-User
Beiträge: 3
Registriert: Mo, 10.12.07, 19:27

Mo, 10.12.07, 20:26

Habe mal gehört, dass man LED´s nicht hintereinander schalten sollte wenn es zu vermeiden ist.

Die Verdrahtung der Transistoren sit eine Konstanse Stromquelle.

LG
die-maus
Benutzeravatar
Sailor
Moderator
Beiträge: 9427
Registriert: Di, 28.11.06, 22:16
Wohnort: Saarland, Deutschland und die Welt

Mo, 10.12.07, 20:30

Mal abgesehen davon, dass die Schaltung so nicht richtig ist (der Strom muss "falsch" rum durch T1 bzw. durch T3), ist der Spannungsdrop der richtigen Schaltung zu hoch. Dadurch würde zwar eine Schutzwirkung erreicht, aber die LED´s leuchten mit großer Wahrscheinlichkeit nicht mehr hell genug.

Dass es zur Zerstörung der LED´s kommt, hängt eher mit den Impulsen von der KFZ-Elektronik zusammen. Diese werden jedoch von der Schaltung nicht schnell genug ausgefiltert.

Ein vergleichbares Problem habe ich mit einer Diode in Reihe zu den LED-Schaltungen und zwischen dieser Diode un den LEDs einem 2,2 µF Elko gegen Masse dauerhaft gelöst.

Die Teile hatte ich damals gerade zur Hand und zum Berechnen einer "richtigen" Schaltung fehlten die Daten über die tatsächliche Störung.

Damit herzlich Willkommen im Forum!
die-maus
Mini-User
Beiträge: 3
Registriert: Mo, 10.12.07, 19:27

Mo, 10.12.07, 20:41

Also auf deutsch die komplette schutzschaltung rausschmeissen... OK, wenns was bringt kein thema. Und der res? Könntest du das aufzeichnen wie du es schaöten würdest? Alos Licht 10 LED´s und Bremse 6 LED`s. Wäre dir sehr dankbar.

LG
die-maus
Benutzeravatar
Sailor
Moderator
Beiträge: 9427
Registriert: Di, 28.11.06, 22:16
Wohnort: Saarland, Deutschland und die Welt

Mo, 10.12.07, 21:35

Die Konstantstromqelle, die Du meinst ist z.B. bei Wikipedia unter "Realisierung " beschrieben. Siehst Du den Unterschied zu Deiner Schaltung?

Die Schaltung mit Diode und Kondensator ist einfach:

Plus - Diode in Flussrichtung - Kondensator gegen Masse - LED-Schaltung

In den Rückleuchten verschiedener Automarken, die ich bisher aufgemacht habe, waren immer LED-Reihenschaltungen.
lediger
Mega-User
Mega-User
Beiträge: 100
Registriert: Mi, 15.08.07, 22:26

So, 16.12.07, 00:15

die-maus hat geschrieben:Hi,

ich habe ein LED Licht mit E-Norm und mir ist jetzt vom Originalem Bestückungsplan das 2. mal alles durchgbrannt. Nun will ich es endlich so machen, dass es auch hält. Bin nicht sehr gut in Elektrotechnik, kann mich halt etwas über Wasser halten. Habe einen Schaltplanentwurf gemacht, kann sich das mal ein experte anschauen.

LG
die-maus
Nach dem Umbau ist die E-Norm allerdings Geschichte ...
Hier würde ich sehr nachhaltig beim Lieferanten die Gewährleistung einklagen.
Antworten