Reihen + Parallelschaltung von LEDs
Moderator: T.Hoffmann
- Elektronikmann
- Ultra-User

- Beiträge: 844
- Registriert: Mo, 19.03.07, 10:37
- Wohnort: Mainz
Reihen + Parallelschaltung von LEDs
Da sich hier ständig neue Forenmitglieder anmelden und dann die Frage nach Reihen und Parallelschaltung
gestellt wird, versuche ich mal hiermit den „Neulingen“ die mit LEDs etwas basteln wollen, die Reihen und Parallelschaltung etwas näher zu bringen
Da die Versorgung mit 12V sich hier etabliert hat, werden die Beispiele auch für 12V ausgelegt.
Ein Steckernetzteil hat erst mal 2 Werte die wichtig sind.
Die angegebene Spannung (Beispiel 12V) und den angegebenen Strom ( Beispiel 500mA)
Hier ist darauf zu achten das es stabilisierte und nicht stabilisierte Netzteile gibt.
Nicht stabilisierte Netzteile erkennt man nur daran das wesentlich mehr Spannung herauskommt als drauf steht
Die Werte liegen in etwa bei 1,4-1,7 fachen über der angegebenen V
Also immer erst mit einem Multimeter nachmessen.
Wichtig: In einer Reihenschaltung addieren sich die Volt, die Ampere bleiben immer gleich.
Noch wichtiger: LED müssen immer mit Vorwiderstand betrieben werden, um evtl. Spannungsspitzen
abzufangen.
Sicher kann man noch 10 Seiten schreiben warum weshalb wieso, es soll aber für die Neulinge
so einfach wie möglich sein.
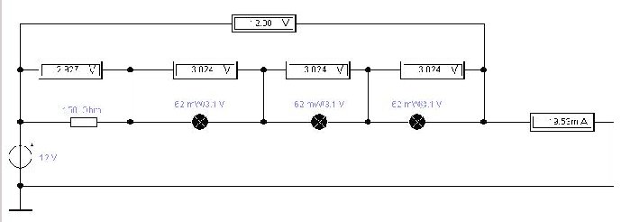
Gehen wir davon aus das ein Stecker-NT mit 12V und 500mA vorhanden ist.
Als LEDs nehmen wir weiss 3,1V/20mA, die ihr in Reihe schalten wollt.
Man kann immer nur soviel LEDs in Reihe schalten wie das NT (hier im Beispiel 12V) hergibt.
4 LEDs in Reihe ergibt 4*3,1V=12,4V was die 12 V Eingangsspannung um 0,4V übersteigt.
Außer dem braucht man ja noch den Vorwiderstand.
Also gehen nur 3 LEDs in Reihe, macht 3*3,1V= 9,3V
12V Eingangsspannung –9,3V für die LEDs=2,7V. Die 2,7V müssen jetzt von dem Vorwiderstand
vernichtet werden. 2,7V wird geteilt durch die 20mA die die LED verbraucht ergibt einen
Widerstand von 135 Ohm.
Da es einen solchen nicht gibt, nimmt man den nächst größeren Widerstand, das wären dann 150 Ohm.
Natürlich kann man auch einen noch größeren Widerstand verwenden,
was der LED-Lebensdauer zugute kommt. 180 Ohm ( einige nehmen sogar 220 Ohm) kann man durchaus auch
nehmen. Die LED wird dadurch nicht merklich dunkler.
Bleiben wir aber mal bei den 150 Ohm, dann fallen am Widerstand etwa 2,9V ab.
Hier mal ein Bild des ganzen.
Rechnet man alle V zusammen kommen wieder die 12V zusammen die das NT liefert.
Die LEDs „laufen“, wie auf dem Bild zu sehen ist, nun mit 19,5mA
Die einzelnen Bauteiltoleranzen nicht mitgerechnet. Es heißt zwar im allgemeinen Vorwiderstand, es ist aber völlig egal wo der Widerstand sitzt.
Hauptsache er sitzt in Reihe mit den LEDs. Es gibt LEDs die weniger Spannung benötigen, rote z.B ca 2V, je nach Hersteller.
Davon kann man mehr in Reihe anschließen, bei 2V max 5 Stück, das ergibt dann 5*2V=10V
Und dann wieder den Vorwiderstand so wie auf Bild D Bild D zeigt auch das es egal ist ob 1 LED oder 5 LED in der Reihe sitzen, immer der gleiche Strom
verbraucht wird. In diesem Beispiel 20mA.
Jetzt habt ihr bestimmt gemerkt das es (ich nenne es mal eine reine Reihenschaltung) nicht wirklich gibt.
Es wird immer auf eine Reihen/Parallelschaltung hinauslaufen.
Am Anfang habe ich von einem Beispiel-NT von 12V/ mit einer Leistung von 500mA geschrieben.
Deshalb wäre ja noch zu klären wie viel LED-Reihen man da jetzt betreiben kann.
Wie bei einem Motor sollte auch ein NT nicht „auf der letzten Rille“ laufen.
Eine Auslastung von ca 80%-85% sollte hier genügen.
Die Rechnung sieht dann so aus.
Angabe auf dem NT 500mA minus 20% = 400mA geteilt durch die mA der LED ergibt 20 Reihen.
Da ja immer 3 LEDs in Reihe sind, das ganze mal 3 ergibt 60LEDs.
Die wie im Bild E verschaltet werden. Bild F zeigt eine Verschaltung mit nur einem Zentralwiderstand.
So sollte eine Verschaltung der LEDs nicht aussehen.
Durch Bauteiltoleranzen der LEDs verteilt sich der Strom nicht gleichmäßig.
Was zur Folge hat das evtl. eine LED mehr abbekommt und dadurch „stirbt“.
Was wiederum zur folge hat das der Rest auch nicht mehr lange lebt.
Geht der Zentralwiderstand kaputt, dann sind alle LEDs in kürzester Zeit im LED-Himmel. Bild H zeigt eine Parallelschaltung von LEDs.
Hier bekommt jede LED ihren eigenen Widerstand.
Nachteil: Jede Reihe verbraucht 20mA. Das hat zur folge das bei 20 LEDs das NT schon
zu 80% ausgelasstet ist.
Vorteil gegenüber der Dreierschaltung:
Geht eine LED nicht mehr, leuchten die anderen weiter.
Bei der Dreierschaltung fallen immer 3 LEDs gleichzeitig aus. Auch wenn die anderen 2
nicht defekt sind.
Trotzdem sollte auf so eine Verschaltung verzichtet werden, da die Widerstände die
Überschüssige Energie in Form von Wärme abgeben müssen.
Zu den Widerständen selbst hat Wiki eine gute Seite.
http://de.wikipedia.org/wiki/Widerstand_(Bauelement) Diesen Widerstandsrechner hatte ich mir mal aus dem WEB runtergeladen.
Das erste Bild zeigt eine Parallelschaltung.
Bei 12V und nur einer LED von 3,1V/20mA fällt pro Widerstand 0,169Watt ab, das sind für 3 LED 0,507W
Da ja jeder Widerstand 8,9V Überschuß vernichten muß.
Dem kann man nur entgegenwirken wenn die Eingangsspannung reduziert wird. ( z.B. auf 5V)
Das zweite Bild zeigt die typische Reihenschaltung.
Auch wieder 12V/20mA aber 3 LEDs in Reihe. Hier müssen nur 2,7V durch den Vorwiderstand vernichtet werden. Der Verlust liegt hier bei nur 0,06Watt. Ich hoffe jetzt mal, das ich das so geschrieben habe, das die meisten es verstanden haben wie man
Standart-LEDs verschaltet.
Sind trotzdem noch Fragen offen, geben alle Forumsmitglieder Euch gerne Auskunft.
Eine gute Seite über LEDs.
http://www.led-info.de/grundlagen/leuchtdioden.html
Und noch was wichtiges zum Schluß.
Es wird immer mal wieder angefragt wie man LEDs an 230V betreibt.
Davon ist dringend abzuraten.
LEDs an 230V kann für den „Bastler“ tödlich enden.
Die meisten Mitglieder (mich eingeschlossen) werden diese Frage auch nicht beantworten.
Jeder der kein gelernter Elektriker ist, sollte zu diesem Thema schweigen.
Da letzte Foto ist wahrscheinlich nur gestellt, aber es sagt viel aus.
Mit 230V treibt man keine Scherze. Nachtrag: LEDs mit unterschiedlicher Spannung lassen sich in eine Reihe schalten.
Also z.B eine rote,eine blaue und eine weisse. Habe ich am Anfang auch nicht gewusst,
aber es funktioniert wie auf dem letzten Bild zu sehen ist. Der Widerstand berechnet sich in so einem Fall:
2,8V+1,8V+3,5V=8,1V.
12V-8,1V=3,9V geteilt durch 20mA der LED ergibt einen Widerstand von 195 Ohm.
Jetzt kann das noch jemand erweitern.
Z.B. wo ist bei der LED Plus und minus, wie werden die verschaltet, langes Bein an kurzes Bein............... usw
mfg
Da sich hier ständig neue Forenmitglieder anmelden und dann die Frage nach Reihen und Parallelschaltung
gestellt wird, versuche ich mal hiermit den „Neulingen“ die mit LEDs etwas basteln wollen, die Reihen und Parallelschaltung etwas näher zu bringen
Da die Versorgung mit 12V sich hier etabliert hat, werden die Beispiele auch für 12V ausgelegt.
Ein Steckernetzteil hat erst mal 2 Werte die wichtig sind.
Die angegebene Spannung (Beispiel 12V) und den angegebenen Strom ( Beispiel 500mA)
Hier ist darauf zu achten das es stabilisierte und nicht stabilisierte Netzteile gibt.
Nicht stabilisierte Netzteile erkennt man nur daran das wesentlich mehr Spannung herauskommt als drauf steht
Die Werte liegen in etwa bei 1,4-1,7 fachen über der angegebenen V
Also immer erst mit einem Multimeter nachmessen.
Wichtig: In einer Reihenschaltung addieren sich die Volt, die Ampere bleiben immer gleich.
Noch wichtiger: LED müssen immer mit Vorwiderstand betrieben werden, um evtl. Spannungsspitzen
abzufangen.
Sicher kann man noch 10 Seiten schreiben warum weshalb wieso, es soll aber für die Neulinge
so einfach wie möglich sein.
Gehen wir davon aus das ein Stecker-NT mit 12V und 500mA vorhanden ist.
Als LEDs nehmen wir weiss 3,1V/20mA, die ihr in Reihe schalten wollt.
Man kann immer nur soviel LEDs in Reihe schalten wie das NT (hier im Beispiel 12V) hergibt.
4 LEDs in Reihe ergibt 4*3,1V=12,4V was die 12 V Eingangsspannung um 0,4V übersteigt.
Außer dem braucht man ja noch den Vorwiderstand.
Also gehen nur 3 LEDs in Reihe, macht 3*3,1V= 9,3V
12V Eingangsspannung –9,3V für die LEDs=2,7V. Die 2,7V müssen jetzt von dem Vorwiderstand
vernichtet werden. 2,7V wird geteilt durch die 20mA die die LED verbraucht ergibt einen
Widerstand von 135 Ohm.
Da es einen solchen nicht gibt, nimmt man den nächst größeren Widerstand, das wären dann 150 Ohm.
Natürlich kann man auch einen noch größeren Widerstand verwenden,
was der LED-Lebensdauer zugute kommt. 180 Ohm ( einige nehmen sogar 220 Ohm) kann man durchaus auch
nehmen. Die LED wird dadurch nicht merklich dunkler.
Bleiben wir aber mal bei den 150 Ohm, dann fallen am Widerstand etwa 2,9V ab.
Hier mal ein Bild des ganzen.
Rechnet man alle V zusammen kommen wieder die 12V zusammen die das NT liefert.
Die LEDs „laufen“, wie auf dem Bild zu sehen ist, nun mit 19,5mA
Die einzelnen Bauteiltoleranzen nicht mitgerechnet. Es heißt zwar im allgemeinen Vorwiderstand, es ist aber völlig egal wo der Widerstand sitzt.
Hauptsache er sitzt in Reihe mit den LEDs. Es gibt LEDs die weniger Spannung benötigen, rote z.B ca 2V, je nach Hersteller.
Davon kann man mehr in Reihe anschließen, bei 2V max 5 Stück, das ergibt dann 5*2V=10V
Und dann wieder den Vorwiderstand so wie auf Bild D Bild D zeigt auch das es egal ist ob 1 LED oder 5 LED in der Reihe sitzen, immer der gleiche Strom
verbraucht wird. In diesem Beispiel 20mA.
Jetzt habt ihr bestimmt gemerkt das es (ich nenne es mal eine reine Reihenschaltung) nicht wirklich gibt.
Es wird immer auf eine Reihen/Parallelschaltung hinauslaufen.
Am Anfang habe ich von einem Beispiel-NT von 12V/ mit einer Leistung von 500mA geschrieben.
Deshalb wäre ja noch zu klären wie viel LED-Reihen man da jetzt betreiben kann.
Wie bei einem Motor sollte auch ein NT nicht „auf der letzten Rille“ laufen.
Eine Auslastung von ca 80%-85% sollte hier genügen.
Die Rechnung sieht dann so aus.
Angabe auf dem NT 500mA minus 20% = 400mA geteilt durch die mA der LED ergibt 20 Reihen.
Da ja immer 3 LEDs in Reihe sind, das ganze mal 3 ergibt 60LEDs.
Die wie im Bild E verschaltet werden. Bild F zeigt eine Verschaltung mit nur einem Zentralwiderstand.
So sollte eine Verschaltung der LEDs nicht aussehen.
Durch Bauteiltoleranzen der LEDs verteilt sich der Strom nicht gleichmäßig.
Was zur Folge hat das evtl. eine LED mehr abbekommt und dadurch „stirbt“.
Was wiederum zur folge hat das der Rest auch nicht mehr lange lebt.
Geht der Zentralwiderstand kaputt, dann sind alle LEDs in kürzester Zeit im LED-Himmel. Bild H zeigt eine Parallelschaltung von LEDs.
Hier bekommt jede LED ihren eigenen Widerstand.
Nachteil: Jede Reihe verbraucht 20mA. Das hat zur folge das bei 20 LEDs das NT schon
zu 80% ausgelasstet ist.
Vorteil gegenüber der Dreierschaltung:
Geht eine LED nicht mehr, leuchten die anderen weiter.
Bei der Dreierschaltung fallen immer 3 LEDs gleichzeitig aus. Auch wenn die anderen 2
nicht defekt sind.
Trotzdem sollte auf so eine Verschaltung verzichtet werden, da die Widerstände die
Überschüssige Energie in Form von Wärme abgeben müssen.
Zu den Widerständen selbst hat Wiki eine gute Seite.
http://de.wikipedia.org/wiki/Widerstand_(Bauelement) Diesen Widerstandsrechner hatte ich mir mal aus dem WEB runtergeladen.
Das erste Bild zeigt eine Parallelschaltung.
Bei 12V und nur einer LED von 3,1V/20mA fällt pro Widerstand 0,169Watt ab, das sind für 3 LED 0,507W
Da ja jeder Widerstand 8,9V Überschuß vernichten muß.
Dem kann man nur entgegenwirken wenn die Eingangsspannung reduziert wird. ( z.B. auf 5V)
Das zweite Bild zeigt die typische Reihenschaltung.
Auch wieder 12V/20mA aber 3 LEDs in Reihe. Hier müssen nur 2,7V durch den Vorwiderstand vernichtet werden. Der Verlust liegt hier bei nur 0,06Watt. Ich hoffe jetzt mal, das ich das so geschrieben habe, das die meisten es verstanden haben wie man
Standart-LEDs verschaltet.
Sind trotzdem noch Fragen offen, geben alle Forumsmitglieder Euch gerne Auskunft.
Eine gute Seite über LEDs.
http://www.led-info.de/grundlagen/leuchtdioden.html
Und noch was wichtiges zum Schluß.
Es wird immer mal wieder angefragt wie man LEDs an 230V betreibt.
Davon ist dringend abzuraten.
LEDs an 230V kann für den „Bastler“ tödlich enden.
Die meisten Mitglieder (mich eingeschlossen) werden diese Frage auch nicht beantworten.
Jeder der kein gelernter Elektriker ist, sollte zu diesem Thema schweigen.
Da letzte Foto ist wahrscheinlich nur gestellt, aber es sagt viel aus.
Mit 230V treibt man keine Scherze. Nachtrag: LEDs mit unterschiedlicher Spannung lassen sich in eine Reihe schalten.
Also z.B eine rote,eine blaue und eine weisse. Habe ich am Anfang auch nicht gewusst,
aber es funktioniert wie auf dem letzten Bild zu sehen ist. Der Widerstand berechnet sich in so einem Fall:
2,8V+1,8V+3,5V=8,1V.
12V-8,1V=3,9V geteilt durch 20mA der LED ergibt einen Widerstand von 195 Ohm.
Jetzt kann das noch jemand erweitern.
Z.B. wo ist bei der LED Plus und minus, wie werden die verschaltet, langes Bein an kurzes Bein............... usw
mfg
- Venga
- Hyper-User

- Beiträge: 1039
- Registriert: Sa, 17.02.07, 23:33
- Wohnort: Schleswig-Holstein
- Kontaktdaten:
Polarität der Standard LEDs
Die Bauart der meisten 3mm, 5mm, 8mm und 10mm LEDs ist gleich..
Sie haben 2 unterschiedlich lange Beine (Pins), einen „Kragen“ und die Linse in der der Napf mit dem LED Kristall und dem Bonddraht eingebettet ist..
Um die LEDs zum Leuchten zu bringen, muss die Polarität beachtet werden.
Wer die LED nicht testen kann oder will, kann anhand einiger Merkmale die Polarität feststellen.
(Hin und wieder kommt es vor, dass bei Billigprodukten die Merkmale nicht stimmen)
Die Beine der LED heißen Anode (plus) und Kathode (minus).
Die Kathode ist das kürzere Bein an dem auch der Napf sitzt..
Der Kragen ist an der Minusseite abgeflacht.
Superflux – LED
Die Superflux ist quadratisch, hat 4 Pins und eine Linse in der der Napf mit dem LED Kristall und dem Bonddraht eingebettet ist..
Die 4 Pins der Superflux passen in das Lochraster einer Platine, zudem führen sie die Wärme besser ab als nur 2 Pins. Es sind je 2 Pins verbunden, d.h. auch hier gibt es nur 1x plus und 1x minus. Auf der Minusseite fehlt am Rand der LED eine Ecke.
Wie in dem oberen Beitrag beschrieben, kann man LEDs in Reihe oder parallel anschließen.
In der Reihenschaltung wird die plus-Leitung der Stromversorung mit dem plus-Pin der 1. LED verlötet. Der minus-Pin der 1. LED mit dem plus-Pin der 2. LEDs. Der minus-Pin der 2. LED mit dem plus-Pin der 3. LED ... usw., der minus-Pin der letzten LED wird mit der minus-Leitung der Stromversorgung verbunden.
Bei der Parallelschaltung wird jede einzelne LED mit ihrem Widerstand an die Leitung der Stromversorgung gelötet. Es können beliebig viele LEDs angeschlossen werden, voraus gesetzt das Netzteil liefert ausreichend Strom.
Die Bauart der meisten 3mm, 5mm, 8mm und 10mm LEDs ist gleich..
Sie haben 2 unterschiedlich lange Beine (Pins), einen „Kragen“ und die Linse in der der Napf mit dem LED Kristall und dem Bonddraht eingebettet ist..
Um die LEDs zum Leuchten zu bringen, muss die Polarität beachtet werden.
Wer die LED nicht testen kann oder will, kann anhand einiger Merkmale die Polarität feststellen.
(Hin und wieder kommt es vor, dass bei Billigprodukten die Merkmale nicht stimmen)
Die Beine der LED heißen Anode (plus) und Kathode (minus).
Die Kathode ist das kürzere Bein an dem auch der Napf sitzt..
Der Kragen ist an der Minusseite abgeflacht.
Superflux – LED
Die Superflux ist quadratisch, hat 4 Pins und eine Linse in der der Napf mit dem LED Kristall und dem Bonddraht eingebettet ist..
Die 4 Pins der Superflux passen in das Lochraster einer Platine, zudem führen sie die Wärme besser ab als nur 2 Pins. Es sind je 2 Pins verbunden, d.h. auch hier gibt es nur 1x plus und 1x minus. Auf der Minusseite fehlt am Rand der LED eine Ecke.
Wie in dem oberen Beitrag beschrieben, kann man LEDs in Reihe oder parallel anschließen.
In der Reihenschaltung wird die plus-Leitung der Stromversorung mit dem plus-Pin der 1. LED verlötet. Der minus-Pin der 1. LED mit dem plus-Pin der 2. LEDs. Der minus-Pin der 2. LED mit dem plus-Pin der 3. LED ... usw., der minus-Pin der letzten LED wird mit der minus-Leitung der Stromversorgung verbunden.
Bei der Parallelschaltung wird jede einzelne LED mit ihrem Widerstand an die Leitung der Stromversorgung gelötet. Es können beliebig viele LEDs angeschlossen werden, voraus gesetzt das Netzteil liefert ausreichend Strom.
- Gusiwusi
- Super-User

- Beiträge: 61
- Registriert: Sa, 16.08.08, 18:49
- Wohnort: Dortmund / Bochum
- Kontaktdaten:
So ich mag nun auch noch etwas Senf zu dem Super Thread dazu geben.
Also alle meine Vorgänger haben ihre 5 Sterne voll verdient.
Ich möchte nun noch die 4pin RGB Superflux LED ansprechen. Diese kann man nicht in eine Reihenschaltung einbauen.
Die 4pin RGB Superflux hat eine Anode (+-Pol) und für jede Farbe (Rot, Grün, Blau) eine Kathode (--Pol).
Jede darin verbaute LED hat eine eigene Spannung so das jede Farbe auch nen eigenen Widerstand benötigt.
Also bleibt uns für diese LED nur die Parallelschaltung über.
Damit man auch alle Farbkombinationen nutzen kann, wird dafür auch eine RGB-Controller benötigt.
Dieser Steuert dann die LED mit unterschiedlichen Spannungen an um jede erdenkliche Farbe erzeugen zu können.
So nun noch nen Schaltbild für die Parallelschaltung. Um nun noch keine Verwirrungen aufzubringen muss noch folgendes beachtet werden.
Da jede Farbe separat angeschlossen wird, verbraucht diese LED 60mA (pro Farbe 20mA).
So ein RGB-Controller wie bei LumiTronix angeboten wird kann pro Kanal bis zu 5A Leistung abgeben, wenn das Netzteil auch diesen Strom liefern kann.
Also wenn man sich das mal ausrechnet und den RGB-Controller mit 4A (80% der Maximal Leistung) belastet pro Kanal, kann man 200 dieser RGB-Superflux LED´s an einem Controller betreiben.
Wichtig ist natürlich dabei, das auch das Netzteil diesen Strom leisten kann.
Also alle meine Vorgänger haben ihre 5 Sterne voll verdient.
Ich möchte nun noch die 4pin RGB Superflux LED ansprechen. Diese kann man nicht in eine Reihenschaltung einbauen.
Die 4pin RGB Superflux hat eine Anode (+-Pol) und für jede Farbe (Rot, Grün, Blau) eine Kathode (--Pol).
Jede darin verbaute LED hat eine eigene Spannung so das jede Farbe auch nen eigenen Widerstand benötigt.
Also bleibt uns für diese LED nur die Parallelschaltung über.
Damit man auch alle Farbkombinationen nutzen kann, wird dafür auch eine RGB-Controller benötigt.
Dieser Steuert dann die LED mit unterschiedlichen Spannungen an um jede erdenkliche Farbe erzeugen zu können.
So nun noch nen Schaltbild für die Parallelschaltung. Um nun noch keine Verwirrungen aufzubringen muss noch folgendes beachtet werden.
Da jede Farbe separat angeschlossen wird, verbraucht diese LED 60mA (pro Farbe 20mA).
So ein RGB-Controller wie bei LumiTronix angeboten wird kann pro Kanal bis zu 5A Leistung abgeben, wenn das Netzteil auch diesen Strom liefern kann.
Also wenn man sich das mal ausrechnet und den RGB-Controller mit 4A (80% der Maximal Leistung) belastet pro Kanal, kann man 200 dieser RGB-Superflux LED´s an einem Controller betreiben.
Wichtig ist natürlich dabei, das auch das Netzteil diesen Strom leisten kann.
Zuletzt geändert von Gusiwusi am Di, 09.09.08, 18:42, insgesamt 2-mal geändert.
- R.Kränzler
- Moderator
- Beiträge: 1700
- Registriert: Mo, 26.11.07, 08:49
- Wohnort: Haigerloch
Vielen Dank für Euern gemeinsamen Beitrag, da kann man ja jetzt schön jemand zum Ansehen auf diese Seite verweisen.
Jeder hat je nach Leistung von mir ein paar Sternchen bekommen.
Jeder hat je nach Leistung von mir ein paar Sternchen bekommen.
Hallo Leute
Ich habe mich als Neuling in diesen Thread eingelesen - Respekt - tolle Arbeit.
All die Ausführungen sind aus meiner Sicht nachvollziehbar. Aber die Wirklichkeit zeigt mir ein ganz anderes Bild.
Ich nehme mal Bezug zur Parallelschaltung:
- die meisten LED-Spots, die man für seine "Halogen-Anwendungen" kaufen kann (die Dinger mit den vielen LED oben drauf) werden mit EINEM Widerstand parallel geschaltet. Will heissen, so ca. 20 LEDs an 1 Widerstand. Hab extra soeine mal aufgemacht.
- Weihnachtsbeleuchtung mit LED (wird ja langsam wieder Zeit dazu). Wird mit einem Trafo, einem Brückengleichrichter und dann alle LED - so an die 50 bis 100 Stück an diesem Strang PARALLEL betrieben.
Tja, da verstehe ich nun die Welt nicht mehr. Weiss jemand weiter?
Grüsse - Seth
Ich habe mich als Neuling in diesen Thread eingelesen - Respekt - tolle Arbeit.
All die Ausführungen sind aus meiner Sicht nachvollziehbar. Aber die Wirklichkeit zeigt mir ein ganz anderes Bild.
Ich nehme mal Bezug zur Parallelschaltung:
- die meisten LED-Spots, die man für seine "Halogen-Anwendungen" kaufen kann (die Dinger mit den vielen LED oben drauf) werden mit EINEM Widerstand parallel geschaltet. Will heissen, so ca. 20 LEDs an 1 Widerstand. Hab extra soeine mal aufgemacht.
- Weihnachtsbeleuchtung mit LED (wird ja langsam wieder Zeit dazu). Wird mit einem Trafo, einem Brückengleichrichter und dann alle LED - so an die 50 bis 100 Stück an diesem Strang PARALLEL betrieben.
Tja, da verstehe ich nun die Welt nicht mehr. Weiss jemand weiter?
Grüsse - Seth
@Seth: Wie kommst du auf die Idee, dass die Hersteller was vernünftiges verkaufen wollen? Je eher es kaputt geht, desto besser für sie, denn dann muss wieder neu angeschafft werden. Außerdem kann man so minimal geld sparen, was sich auf die Menge dann schon wieder hochrechnet. Leider findet man nur sehr selten vernünftige Arbeit in Sachen die günstig zu kaufen sind.
Hallo Fithclub
Deine Antwort überrascht mich nicht - ich habe es schon geahnt. Nur wieviele Leute denken noch wie Du und ich.
Ich glaube, wir sind Aliens.
Ich vermute mal, das sämtliche, sich auf dem Markt befindlichen LED-Parts (wie beispielsweise Halogenspot-Ersatz) Schrottwert haben. Aber die werden toll für 30 Euro pro Stück verkauft.
Ich werde mir meine eigenen Schaltungen verwirklichen und diesen Schrotthandel nicht mitmachen. > Konsumabstinenz
Grüsse - Seth
Deine Antwort überrascht mich nicht - ich habe es schon geahnt. Nur wieviele Leute denken noch wie Du und ich.
Ich glaube, wir sind Aliens.
Ich vermute mal, das sämtliche, sich auf dem Markt befindlichen LED-Parts (wie beispielsweise Halogenspot-Ersatz) Schrottwert haben. Aber die werden toll für 30 Euro pro Stück verkauft.
Ich werde mir meine eigenen Schaltungen verwirklichen und diesen Schrotthandel nicht mitmachen. > Konsumabstinenz
Grüsse - Seth
Ganz so schlimm ist es auch nicht. Die CREE Led Spots hier aus dem Shop (1 LED!) sind durchaus brauchbar. Ganz ideal sind die zwar IMHO auch (noch?) nicht:Ich vermute mal, das sämtliche...
1. Effizienz - Pro Spot ein Treiber/Wandler ist einfach schlechter als ein Treiber für mehrere LEDs
(unsere Anregung, die Spots ohne Treiber/Wandler zu verkaufen - dann wären die auch billiger - wurde leider bisher nicht umgesetzt)
2. EMV - bei einigen gibt es Störungen im Radio...
Aber ansonsten sind die wirklich gut.
Muss mich da in gewissen Teilen Borax anschließen, es ist zwar viel Schrott dabei, aber es gibt auch relativ gute Ware zu fairen Preisen. Das Problem ist nur, dass der Laie diese nicht auf Anhieb erkennt und dann leider doch die "Geiz ist geil"-Mentalität siegt, sodass der billige Schrott am laufenden Band gekauft wird und die wirklich vernünftigen Produkte aufgrund des leicht höheren Preises kaum weggehen, was den Preis natürlich eher noch in die Höhe treibt.
Gusiwusi hat von meiner seite aus keine 5 sterne verdient!
seine angaben zur superflux rgb led stimmen nicht 
ich habe mir einige superflux rgb leds vom shop (also leds.de ) gekauft. jedoch musste ich heute feststellen das die angegebene pinbelegung/anschlussbelegung/pinout von Gusiwusi nicht stimmt! zwar stimmt der anschluss der anode jedoch habe ich keinen blassen schimmer woher er die daten für die kathoden der roten, grünen und blauen leds sich beschafft hat - gemessen hat es jedenfalls nicht! dieser beitrag soll sachlich aufgefasst werden - der herbe unterton soll nur verdeutlichen das wegen solchen post die internet-user für dumm verkauft werden. wenn man informationen ins internet stellt muss man sich auch sicher sein das diese richtig sind!
ich habe zur sicherheit die leds getest - so bin ich auf das ergebnis gekommen
@Gusiwusi: bitte lösche dein falsches bild zur pinbelegung der superflux rgb led und ändere die anschlussbelegung an der konstantstromquelle. der rest des post ist top!
hier ein anhang der richtigen beschaltung der superflux rgb led
ich habe mir einige superflux rgb leds vom shop (also leds.de ) gekauft. jedoch musste ich heute feststellen das die angegebene pinbelegung/anschlussbelegung/pinout von Gusiwusi nicht stimmt! zwar stimmt der anschluss der anode jedoch habe ich keinen blassen schimmer woher er die daten für die kathoden der roten, grünen und blauen leds sich beschafft hat - gemessen hat es jedenfalls nicht! dieser beitrag soll sachlich aufgefasst werden - der herbe unterton soll nur verdeutlichen das wegen solchen post die internet-user für dumm verkauft werden. wenn man informationen ins internet stellt muss man sich auch sicher sein das diese richtig sind!
ich habe zur sicherheit die leds getest - so bin ich auf das ergebnis gekommen
@Gusiwusi: bitte lösche dein falsches bild zur pinbelegung der superflux rgb led und ändere die anschlussbelegung an der konstantstromquelle. der rest des post ist top!
hier ein anhang der richtigen beschaltung der superflux rgb led
- Dateianhänge
-
- LUMITRONIX SUPERFLUX RGB LED PINBELEGUNG/PINOUT/ANSCHLÜSSE
- 4pin RGB LUMITRONIX Superflux pinbelegung.jpg (19.58 KiB) 458615 mal betrachtet
Dass das ganze damals vielleicht noch richtig war ist dir wohl nicht in den Sinn gekommen oder?exelero hat geschrieben:wenn man informationen ins internet stellt muss man sich auch sicher sein das diese richtig sind!
Aber wenns gewünscht wird kann ich deine Belegung noch mit Kommentar in den Beitrag reineditieren
Hier schreibt ein (bis vor einer halben Stunde) absolut Unwissender in Sachen LED.
Dieser Beitrag hat mir sehr gut gefallen und ich habe einiges gelernt.
Ich beziehe mich auf das Bild D im Beitrag von T.Hoffmann :
Mit einem Netzteil ( 12 V , 500mA ) kann ich 20 Reihen mit je 3 LEDS zum Leuchten bringen , also 60 Stück.
Auf einer Modelleisenbahnanlage sollen aber zum Beispiel 240 Stück leuchten. Dafür brauche ich dann 4 Netzteile mit 12 V und 500 mA.
Richtig oder falsch?
Wenn ich ein Netzteil mit 12 V und 50 A nehmen würde , könnte ich insgesamt ca. 480 LEDS (in Reihen zu 3 Stück ) anschließen.
Ist meine Rechnung korrekt?
LG
Piefke
Dieser Beitrag hat mir sehr gut gefallen und ich habe einiges gelernt.
Ich beziehe mich auf das Bild D im Beitrag von T.Hoffmann :
Mit einem Netzteil ( 12 V , 500mA ) kann ich 20 Reihen mit je 3 LEDS zum Leuchten bringen , also 60 Stück.
Auf einer Modelleisenbahnanlage sollen aber zum Beispiel 240 Stück leuchten. Dafür brauche ich dann 4 Netzteile mit 12 V und 500 mA.
Richtig oder falsch?
Wenn ich ein Netzteil mit 12 V und 50 A nehmen würde , könnte ich insgesamt ca. 480 LEDS (in Reihen zu 3 Stück ) anschließen.
Ist meine Rechnung korrekt?
LG
Piefke
- Achim H
- Star-Admin

- Beiträge: 13067
- Registriert: Mi, 14.11.07, 02:14
- Wohnort: Herdecke (NRW)
- Kontaktdaten:
Das auszurechnen ist einfache Mathematik.
20 Reihen = 500mA
1 Reihe = 500mA / 20 Reihen = 25mA --> schon etwas hoch. Standard-Leds (3 bzw. 5mm) leuchten auch mit 20mA sehr hell.
Wenn das Netzgerät 5000mA liefern kann, könnten dort
5000mA / 25mA = 200 Reihen angeschlossen werden.
200 Reihen a 3 Leds = 600 Leds.
Wenn man den Strom je Reihe auf 20mA begrenzt, könnten
5000mA / 20mA = 250 Reihen angeschlossen werden.
250 Reihen a 3 Leds = 750 Leds.
20 Reihen = 500mA
1 Reihe = 500mA / 20 Reihen = 25mA --> schon etwas hoch. Standard-Leds (3 bzw. 5mm) leuchten auch mit 20mA sehr hell.
Wenn das Netzgerät 5000mA liefern kann, könnten dort
5000mA / 25mA = 200 Reihen angeschlossen werden.
200 Reihen a 3 Leds = 600 Leds.
Wenn man den Strom je Reihe auf 20mA begrenzt, könnten
5000mA / 20mA = 250 Reihen angeschlossen werden.
250 Reihen a 3 Leds = 750 Leds.
Vielen Dank ! Jetzt ist bei mir endgültig der Groschen gefallen.
Wenn ich den Strom auf 20mA je Reihe begrenze, kann ich max. 5 rote Led`s je Reihe anschließen, denn eine LED braucht ungefähr 2 V und so habe ich noch etwas "Luft " nach oben und das NT wird nicht überlastet. Wie hat doch ein Forumsmitglied geschrieben: Man soll nicht auf der letzten Rille fahren...
Bitte um Korrektur, wenn ich mich irre!
Um einzelne Reihen zu-oder abzuschalten werde ich wahrscheinlich kleine EIN/AUS -Kippschalter verwenden müssen oder gibt es andere , bessere Möglichkeiten?
Piefke
Wenn ich den Strom auf 20mA je Reihe begrenze, kann ich max. 5 rote Led`s je Reihe anschließen, denn eine LED braucht ungefähr 2 V und so habe ich noch etwas "Luft " nach oben und das NT wird nicht überlastet. Wie hat doch ein Forumsmitglied geschrieben: Man soll nicht auf der letzten Rille fahren...
Bitte um Korrektur, wenn ich mich irre!
Um einzelne Reihen zu-oder abzuschalten werde ich wahrscheinlich kleine EIN/AUS -Kippschalter verwenden müssen oder gibt es andere , bessere Möglichkeiten?
Piefke
Hallo,
ich will 60 LED's (SMD LED LRT67F-U1AA-1-Z) auf einem Ring verbauen. Wenn ich das richtig verstanden habe dann ist es am besten diese in einer Reihenschaltung zu verbauen. Dazu rechne ich:
netzteil 12V (A wird den LED' angepasst)
1 LED = 2,4V/50mAh
5x 2,4v = 12V
dh. Ich schalte immer 5 LED' in reihe und komme genau auf die 12V, aber was für einen Vorwiederstand nehme ich nun? Ohne Vorwiederstand geht gar nicht?
Oder schalte ich in diesem Fall nur 4 in eine Reihe, und nehme ein 50 Ohm Wiederstand um die 2,4V zu verbraten?
Gruß und Vielen Dank!
ich will 60 LED's (SMD LED LRT67F-U1AA-1-Z) auf einem Ring verbauen. Wenn ich das richtig verstanden habe dann ist es am besten diese in einer Reihenschaltung zu verbauen. Dazu rechne ich:
netzteil 12V (A wird den LED' angepasst)
1 LED = 2,4V/50mAh
5x 2,4v = 12V
dh. Ich schalte immer 5 LED' in reihe und komme genau auf die 12V, aber was für einen Vorwiederstand nehme ich nun? Ohne Vorwiederstand geht gar nicht?
Oder schalte ich in diesem Fall nur 4 in eine Reihe, und nehme ein 50 Ohm Wiederstand um die 2,4V zu verbraten?
Gruß und Vielen Dank!
- Achim H
- Star-Admin

- Beiträge: 13067
- Registriert: Mi, 14.11.07, 02:14
- Wohnort: Herdecke (NRW)
- Kontaktdaten:
Die LRT67F-U1AA-1-Z ist eine rote SMD-Led von Osram.
Laut Datenblatt (Link zu Mouser, siehe Seite 8) beträgt die Vorwärtsspannung @ 50mA ziemlich genau 2,4V bei 25°C.
Mit Betriebswärme ist die Vorwärtsspannung kleiner --> Temperaturkoeffizient: -2,5mV/K (siehe Datenblatt auf Seite 4).
Bei 50°C würde die Vorwärtsspannung demnach
50°C - 25°C = 25°C --> gleichbedeutend 25K
25K x -2,5mV = -62,5mV --> 0,0625V geringer sein.
2,4V - 0,0625V = 2,3375V
Vorwiderstand:
12V - (5x 2,3375V)
------------------- =
0,05A
12V - 11,6875V
------------------ =
0,05A
0,3125V
---------- = 6,25R
0,05A
Die nächstbeste Widerstandskombi (unter Verwendung von Metallschichtwiderständen mit 1% Toleranz) wäre
13R + 13R parallel = 6,5R --> ca. 48mA
Bei 50mA wird sich die Led defintiv erwärmen. Die 50°C sind nur eine geschätzte Temperatur.
Laut Datenblatt (Link zu Mouser, siehe Seite 8) beträgt die Vorwärtsspannung @ 50mA ziemlich genau 2,4V bei 25°C.
Mit Betriebswärme ist die Vorwärtsspannung kleiner --> Temperaturkoeffizient: -2,5mV/K (siehe Datenblatt auf Seite 4).
Bei 50°C würde die Vorwärtsspannung demnach
50°C - 25°C = 25°C --> gleichbedeutend 25K
25K x -2,5mV = -62,5mV --> 0,0625V geringer sein.
2,4V - 0,0625V = 2,3375V
Vorwiderstand:
12V - (5x 2,3375V)
------------------- =
0,05A
12V - 11,6875V
------------------ =
0,05A
0,3125V
---------- = 6,25R
0,05A
Die nächstbeste Widerstandskombi (unter Verwendung von Metallschichtwiderständen mit 1% Toleranz) wäre
13R + 13R parallel = 6,5R --> ca. 48mA
Bei 50mA wird sich die Led defintiv erwärmen. Die 50°C sind nur eine geschätzte Temperatur.
Hey Achim,
vielen Dank für deine schnelle und detaillierte Antwort! Sehr hilfreich
Ich habe in meinem Sortiment 7,5Ohm Wiederstände (5% Tolleranz 0805 SMD). Kann ich die verwenden? Oder sind die 5% Tolleranz für diesen Einsatz eh nicht zu gebrauchen?
7,5Ohm statt 6,5 dürfte ja nichts aus machen oder? Eher etwas für die Lebensdauer;)...
Gruß Ed
vielen Dank für deine schnelle und detaillierte Antwort! Sehr hilfreich
Ich habe in meinem Sortiment 7,5Ohm Wiederstände (5% Tolleranz 0805 SMD). Kann ich die verwenden? Oder sind die 5% Tolleranz für diesen Einsatz eh nicht zu gebrauchen?
7,5Ohm statt 6,5 dürfte ja nichts aus machen oder? Eher etwas für die Lebensdauer;)...
Gruß Ed
- Achim H
- Star-Admin

- Beiträge: 13067
- Registriert: Mi, 14.11.07, 02:14
- Wohnort: Herdecke (NRW)
- Kontaktdaten:
Die 1% Toleranz hatte ich bewusst angegeben, wenn die Leds am Maximum betrieben werden sollen.
Für die Leds ist es immer gut, wenn diese nicht mit dem maximal erlaubten Strom (50mA) betrieben werden. Und dann darf selbstverständlich auch die Toleranz der verwendeten Widerstände größer sein.
Bei 7,5 Ohm würde der Strom durch die Leds mit Betriebswärme ungefähr
0,3125V / 7,5R = 0,04166A --> 41,66mA +/-5% betragen
max. = 41,66mA x 105% = 43,743mA.
Falls genügend Platz auf der Platine ist:
Leiterbahnen und Kühlflächen immer großzügig anlegen.
Je besser/schneller die Betriebswärme verteilt, abgeführt und mit der Umgebungsluft ausgetauscht werden kann, umso besser für die Leds.
Viel Spaß beim Zusammenbauen!
Für die Leds ist es immer gut, wenn diese nicht mit dem maximal erlaubten Strom (50mA) betrieben werden. Und dann darf selbstverständlich auch die Toleranz der verwendeten Widerstände größer sein.
Bei 7,5 Ohm würde der Strom durch die Leds mit Betriebswärme ungefähr
0,3125V / 7,5R = 0,04166A --> 41,66mA +/-5% betragen
max. = 41,66mA x 105% = 43,743mA.
Falls genügend Platz auf der Platine ist:
Leiterbahnen und Kühlflächen immer großzügig anlegen.
Je besser/schneller die Betriebswärme verteilt, abgeführt und mit der Umgebungsluft ausgetauscht werden kann, umso besser für die Leds.
Viel Spaß beim Zusammenbauen!
-
RicoSenilo
- Mini-User
- Beiträge: 2
- Registriert: Di, 03.10.17, 16:57
Ok, geht es den überhaupt wie ich es gemacht habe?

Oder muss ich wirklich jeder LED einen Widerstand verpassen?
Ciao Rico

Oder muss ich wirklich jeder LED einen Widerstand verpassen?
Ciao Rico
- Achim H
- Star-Admin

- Beiträge: 13067
- Registriert: Mi, 14.11.07, 02:14
- Wohnort: Herdecke (NRW)
- Kontaktdaten:
So wie in Deiner Zeichnung kann nur funktionieren, wenn alle Leds auch die gleiche Vorwärtsspannung haben. Falls nicht, würde sich der Strom ungleichmäßig aufteilen, wodurch die Leds auch unterschiedlich hell leuchten würden.
Und dafür müsstest Du mehr Leds einkaufen, als gebraucht werden und diese dann alle durchmessen und selektieren.
Der 100 Ohm Widerstand passt überhaupt nicht.
Bei einer Parallelschaltung summieren sich die einzelnen Ströme. Der Vorwiderstand muss dann den Strom für alle Leds einstellen, bedeutet: er hat eine höhere Leistung. Mit einem Widerstand in der Bauform 0207 kommst Du dann nicht mehr hin. Dafür benötigst Du einen Leistungswiderstand. Und ob dieser Widerstand günstiger als je ein Widerstand pro Led ist, weiß ich nicht.
Wenn ich Widerstände einkaufe, dann im 100er Pack. Kostenpunkt typisch: bis 2,50 EUR --> umgerechnet 2,5 Cent je Stück.
Ungewöhnliche Werte können abweichend auch mal etwas teurer sein.
Laut Bild sind 7 Leds parallel geschaltet. Jede Led hat einen Strom von 30mA.
7 x 30mA = 210mA
Bei 3,1V je Led müssten 6V - 3,1V = 2,9V vernichtet werden.
Vorwiderstand:
2,9V
------- = 13,809 Ohm --> nächst höhere, aber erhältliche Wert = 14 Ohm.
0,21A
Leistung dieses Vorwiderstandes:
2,9V x 0,21A = 0,609 Watt --> empfehlenswert wäre ein Widerstand mit 2W oder höher.
Bei 20 Leds (laut Text im Bild) würde der Strom
20x 0,03A = 0,6A betragen.
Vorwiderstand:
2,9V
------ = 4,8333 Ohm --> nächst höhere, aber erhältliche Werte = 4,87 oder 4,99 oder 5,1 Ohm.
0,6A
Leistung dieses Widerstandes:
2,9V x 0,6A = 1,74 Watt --> empfehlenswert wäre ein Widerstand mit 5W oder höher.
Bei 60 Leds (laut Eingangsfrage) würde der Strom
60x 0,03A = 1,8A betragen.
Vorwiderstand:
2,9V
------- = 1,611 Ohm --> nächst höhere, aber erhältliche Wert = 1,8 Ohm.
1,8A
Leistung dieses Widerstandes:
2,9V x 1,8A = 5,22 Watt --> empfehlenswert wäre ein Widerstand mit 17 Watt oder höher.
Und dafür müsstest Du mehr Leds einkaufen, als gebraucht werden und diese dann alle durchmessen und selektieren.
Der 100 Ohm Widerstand passt überhaupt nicht.
Bei einer Parallelschaltung summieren sich die einzelnen Ströme. Der Vorwiderstand muss dann den Strom für alle Leds einstellen, bedeutet: er hat eine höhere Leistung. Mit einem Widerstand in der Bauform 0207 kommst Du dann nicht mehr hin. Dafür benötigst Du einen Leistungswiderstand. Und ob dieser Widerstand günstiger als je ein Widerstand pro Led ist, weiß ich nicht.
Wenn ich Widerstände einkaufe, dann im 100er Pack. Kostenpunkt typisch: bis 2,50 EUR --> umgerechnet 2,5 Cent je Stück.
Ungewöhnliche Werte können abweichend auch mal etwas teurer sein.
Laut Bild sind 7 Leds parallel geschaltet. Jede Led hat einen Strom von 30mA.
7 x 30mA = 210mA
Bei 3,1V je Led müssten 6V - 3,1V = 2,9V vernichtet werden.
Vorwiderstand:
2,9V
------- = 13,809 Ohm --> nächst höhere, aber erhältliche Wert = 14 Ohm.
0,21A
Leistung dieses Vorwiderstandes:
2,9V x 0,21A = 0,609 Watt --> empfehlenswert wäre ein Widerstand mit 2W oder höher.
Bei 20 Leds (laut Text im Bild) würde der Strom
20x 0,03A = 0,6A betragen.
Vorwiderstand:
2,9V
------ = 4,8333 Ohm --> nächst höhere, aber erhältliche Werte = 4,87 oder 4,99 oder 5,1 Ohm.
0,6A
Leistung dieses Widerstandes:
2,9V x 0,6A = 1,74 Watt --> empfehlenswert wäre ein Widerstand mit 5W oder höher.
Bei 60 Leds (laut Eingangsfrage) würde der Strom
60x 0,03A = 1,8A betragen.
Vorwiderstand:
2,9V
------- = 1,611 Ohm --> nächst höhere, aber erhältliche Wert = 1,8 Ohm.
1,8A
Leistung dieses Widerstandes:
2,9V x 1,8A = 5,22 Watt --> empfehlenswert wäre ein Widerstand mit 17 Watt oder höher.
-
RicoSenilo
- Mini-User
- Beiträge: 2
- Registriert: Di, 03.10.17, 16:57
Danke für die schnelle und ausführliche Info. Die Widerstände sind bestellt. 

